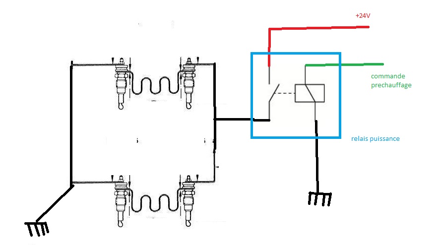
Alors maintenant j'ai une autre question, tu parlais du relais de puissance juste avant? C'est celui qui est sensé couper le jus une fois les bougies chaude ? Car ma préchauffe a moi rester allumer... ce qui fais bien chauffer les bougies trop a mon avis vu que j'ai du changer les 4 autres!
branchement préchauffage JK 65 (Résolu)
-
Eowi
- Petit mécano.

- Messages : 20
- Enregistré le : 21 déc. 2017 14:25
Re: Problème démarrage JK 65
Alors maintenant j'ai une autre question, tu parlais du relais de puissance juste avant? C'est celui qui est sensé couper le jus une fois les bougies chaude ? Car ma préchauffe a moi rester allumer... ce qui fais bien chauffer les bougies trop a mon avis vu que j'ai du changer les 4 autres!
- xavier-64
- A l'herbe fraiche !

- Messages : 2630
- Enregistré le : 15 sept. 2014 22:40
Re: Problème démarrage JK 65
Salut,
En effet c'est lui qui coupe le "jus" au bougies... mais il ce peu que ce soit le temporisateur ou le circuit qui le commande qui ai laché.
Pour contrôler, il faudrait que tu débranches en retirant le cuivre qui va jusqu'au bougies.
Tu branches un voltmètre de la borne que tu as débranché et l'autre à la masse du véhicule.
Tu peux aussi mettre une ampoule avec des fils long pour pouvoir baisser la cabine et contrôler....
Si tu mets en service le préchauffage, tu devrais avoir du 24V ou l'ampoule que s'allume... puis si tu coupes... 0V ou ampoule éteinte...
Si elle reste allumé il faut le contôler séparément en le démontant....
ou tester la commande du relais de la même manière.
@+
Xavier.
En effet c'est lui qui coupe le "jus" au bougies... mais il ce peu que ce soit le temporisateur ou le circuit qui le commande qui ai laché.
Pour contrôler, il faudrait que tu débranches en retirant le cuivre qui va jusqu'au bougies.
Tu branches un voltmètre de la borne que tu as débranché et l'autre à la masse du véhicule.
Tu peux aussi mettre une ampoule avec des fils long pour pouvoir baisser la cabine et contrôler....
Si tu mets en service le préchauffage, tu devrais avoir du 24V ou l'ampoule que s'allume... puis si tu coupes... 0V ou ampoule éteinte...
Si elle reste allumé il faut le contôler séparément en le démontant....
ou tester la commande du relais de la même manière.
@+
Xavier.
- bucephale4x4
- Randonneur

- Messages : 177
- Enregistré le : 08 juil. 2011 08:19
Re: Problème démarrage JK 65
J’espère que le collègue est toujours en vie...Eowi a écrit :Hum merci pour ces infos !
Est ce que comme ça marche comme montage ? Mon + viens de la grosse barrette et ma masse est la plaque en dessous ?
Pour moi les réponses sont fausses Xavier.
Il s'agit de bougies bipolaires.
-
Eowi
- Petit mécano.

- Messages : 20
- Enregistré le : 21 déc. 2017 14:25
- bucephale4x4
- Randonneur

- Messages : 177
- Enregistré le : 08 juil. 2011 08:19
Re: Problème démarrage JK 65
Bon, je veux pas être désagréable mais comme visiblement vous êtes connecté, c'est très bien détaillé sur le net.
Voici deux photos
un montage type Le montage de mon camion. le fil rouge est le + les noirs la masse En espérant que cela est suffisamment détaillé.
Cordialement
Voici deux photos
un montage type Le montage de mon camion. le fil rouge est le + les noirs la masse En espérant que cela est suffisamment détaillé.
Cordialement
- bucephale4x4
- Randonneur

- Messages : 177
- Enregistré le : 08 juil. 2011 08:19
Re: Problème démarrage JK 65
désolé je n'avais pas vu cela. Le montage d'origine est effectivement correct .Xavier-64 a écrit :Oui !
Il était correct
Xavier.
Celui de mon camion est en bougie de 24 V en série.
- xavier-64
- A l'herbe fraiche !

- Messages : 2630
- Enregistré le : 15 sept. 2014 22:40
Re: Problème démarrage JK 65
Salut,
ces 2 montages qui se valent. Sur le montage de Bucéphale les 2 barrettes en cuivres ou la plaque sont remplacés par le doublage des câbles d'alimentation.
Les premières photo de Denis sont pour un montage sur SG2 donc 12 V...
Je n'aurais pas dû mettre le
sans explications
Sur le schéma, Marc, les 4 bougies sont en série... !
@+
Xavier.
ces 2 montages qui se valent. Sur le montage de Bucéphale les 2 barrettes en cuivres ou la plaque sont remplacés par le doublage des câbles d'alimentation.
Les premières photo de Denis sont pour un montage sur SG2 donc 12 V...
Je n'aurais pas dû mettre le
Sur le schéma, Marc, les 4 bougies sont en série... !
@+
Xavier.
Modifié en dernier par xavier-64 le 22 déc. 2017 20:40, modifié 1 fois.
- xavier-64
- A l'herbe fraiche !

- Messages : 2630
- Enregistré le : 15 sept. 2014 22:40
- come 09
- Je scinde les sujets.

- Messages : 5057
- Enregistré le : 05 juin 2009 00:14
Re: Problème démarrage JK 65
ouai s'est ce que je di...... ok je
.....
tien en passant:
La théorie, c'est quand on sait tout et que rien ne fonctionne.
La pratique, c'est quand tout fonctionne et que personne ne sait pourquoi.
Ici, nous avons réuni théorie et pratique: Rien ne fonctionne... et personne ne sait pourquoi !
albert

tien en passant:
La théorie, c'est quand on sait tout et que rien ne fonctionne.
La pratique, c'est quand tout fonctionne et que personne ne sait pourquoi.
Ici, nous avons réuni théorie et pratique: Rien ne fonctionne... et personne ne sait pourquoi !
albert
tp3
trm2000
B110 ponticelli
hdj80 12s
nissan 350z
renault r2087
clio 4 rs edc 200 modif,stage 1: 235ch et 319Nm
renault espace IV 2L turbo 170ch
B110 4x4,1999,ponts renault, 2.8L
trm2000
B110 ponticelli
hdj80 12s
nissan 350z
renault r2087
clio 4 rs edc 200 modif,stage 1: 235ch et 319Nm
renault espace IV 2L turbo 170ch
B110 4x4,1999,ponts renault, 2.8L
- gradateur
- Forummeur expert

- Messages : 2709
- Enregistré le : 23 juin 2012 22:35
Re: Problème démarrage JK 65
Come je te kiffe!!!!!!!!!!!!!come 09 a écrit :tien en passant:
La théorie, c'est quand on sait tout et que rien ne fonctionne.
La pratique, c'est quand tout fonctionne et que personne ne sait pourquoi.
Ici, nous avons réuni théorie et pratique: Rien ne fonctionne... et personne ne sait pourquoi !
albert
- come 09
- Je scinde les sujets.

- Messages : 5057
- Enregistré le : 05 juin 2009 00:14
Re: Problème démarrage JK 65
tp3
trm2000
B110 ponticelli
hdj80 12s
nissan 350z
renault r2087
clio 4 rs edc 200 modif,stage 1: 235ch et 319Nm
renault espace IV 2L turbo 170ch
B110 4x4,1999,ponts renault, 2.8L
trm2000
B110 ponticelli
hdj80 12s
nissan 350z
renault r2087
clio 4 rs edc 200 modif,stage 1: 235ch et 319Nm
renault espace IV 2L turbo 170ch
B110 4x4,1999,ponts renault, 2.8L
-
Eowi
- Petit mécano.

- Messages : 20
- Enregistré le : 21 déc. 2017 14:25
-
Eowi
- Petit mécano.

- Messages : 20
- Enregistré le : 21 déc. 2017 14:25
Re: Problème démarrage JK 65
Je reviens vers vous! Je suis toujours en rade la préchauffe marche bien maintenant merci !
Mon nouveau problème, j'ai les fils qui chauffe avant le relais de démarrage, quand j'actionne le demarreur. Le démarreur ne prends pas comme si il n'y avait pas assez de batterie ( les batteries sont ok, de même que en direct le démarreur ce lance bien ).
Dois je refaire un circuit ? Et comment?
Car je ne me vois pas de tout demonter le circuit électrique avec toutes les gaines et la non accessibilité des fils...
Mon nouveau problème, j'ai les fils qui chauffe avant le relais de démarrage, quand j'actionne le demarreur. Le démarreur ne prends pas comme si il n'y avait pas assez de batterie ( les batteries sont ok, de même que en direct le démarreur ce lance bien ).
Dois je refaire un circuit ? Et comment?
Car je ne me vois pas de tout demonter le circuit électrique avec toutes les gaines et la non accessibilité des fils...
- xavier-64
- A l'herbe fraiche !

- Messages : 2630
- Enregistré le : 15 sept. 2014 22:40
Re: Problème démarrage JK 65
Salut,
As-tu repris toute les connections pour contrôler que tout est bien serré et les contacts soient OK, pas de rouille...
Sinon les contacts du relais qui sont peut être"usés","défectueux" => mais il se lance bien en direct...
Si il ne se lance pas ou pas bien c'est que tu as une grande perte en ligne.... câble défecteux ?
@+
Xavier.
As-tu repris toute les connections pour contrôler que tout est bien serré et les contacts soient OK, pas de rouille...
Sinon les contacts du relais qui sont peut être"usés","défectueux" => mais il se lance bien en direct...
Si il ne se lance pas ou pas bien c'est que tu as une grande perte en ligne.... câble défecteux ?
@+
Xavier.
-
Eowi
- Petit mécano.

- Messages : 20
- Enregistré le : 21 déc. 2017 14:25
Re: Problème démarrage JK 65
J'ai déjà pris soin de nettoyer toutes mes cosses effectivement ! Je ne pense pas que me problème vient de la ! Mais pour l'histoire de la perte en ligne je suppose ça aussi sauf que je ne me vois pas refaire tout le circuit électrique du camion.. tout ça est pleins de fils certains sont branché d'autre non, il yen a tous pleins et les bon 99% je ne sais pas à quoi ils servent .. Je voudrais aller au plus simple
- Denis Chassac
- Je scinde les sujets.

- Messages : 3656
- Enregistré le : 15 janv. 2007 21:36
Re: Problème démarrage JK 65
Bonsoir
Pour voir rapidement si l'alimentation du démarreur est correcte, branche un câble (genre ceux que l'on utilise entre deux voitures quand une batterie est à plat) entre le + batterie et le gros écrou extérieur de ton démarreur puis lance le démarreur avec la clef de contact. Si ce n'est pas mieux, c'est un problème de démarreur. Si c'est mieux, c'est le gros câble de la batterie au démarreur qui est en cause et c'est le seul à changer (attention, c'est de la grosse section genre 35 mm2).
@+
DEnis
Pour voir rapidement si l'alimentation du démarreur est correcte, branche un câble (genre ceux que l'on utilise entre deux voitures quand une batterie est à plat) entre le + batterie et le gros écrou extérieur de ton démarreur puis lance le démarreur avec la clef de contact. Si ce n'est pas mieux, c'est un problème de démarreur. Si c'est mieux, c'est le gros câble de la batterie au démarreur qui est en cause et c'est le seul à changer (attention, c'est de la grosse section genre 35 mm2).
@+
DEnis
-
Eowi
- Petit mécano.

- Messages : 20
- Enregistré le : 21 déc. 2017 14:25
Re: Problème démarrage JK 65
D'accord je vais essayer ! mais je ne pense pas que ce soit ce câble là qui est en cause car quand je fais contact avec l'exciteur le démarreur tourne très bien..
- nh3
- Dans ma demeure.

- Messages : 1130
- Enregistré le : 18 juil. 2010 20:01
- Prénom(s) : Raphaël
- Site Perso ou Pro : https://www.swisslithiumbatteries.com/
Re: Problème démarrage JK 65
Il faut peut-être que le préchauffage soit arrêté car plus assez d'amperes les deux en même temps.
-
Eowi
- Petit mécano.

- Messages : 20
- Enregistré le : 21 déc. 2017 14:25
- Denis Chassac
- Je scinde les sujets.

- Messages : 3656
- Enregistré le : 15 janv. 2007 21:36
Re: Problème démarrage JK 65
Tu veux dire que si tu envoies du 24 V sur la petite cosse du lanceur, ça fonctionne bien mais pas quand tu tournes la clef ?Eowi a écrit :D'accord je vais essayer ! mais je ne pense pas que ce soit ce câble là qui est en cause car quand je fais contact avec l'exciteur le démarreur tourne très bien..
Il n'est pas impossible que ton contacteur de démarrage soit abîmé (mauvais contact) et ne fournisse pas la puissance demandée par le lanceur...
Il faut déterminer quel est l'élément (fil, contacteur, cosse...) qui va mal.
Pour savoir, débranche du contacteur le fil qui va au démarreur.
Puis tu alimentes ce fil directement avec un fil direct depuis le + batterie : ça fonctionne mal -> c'est le fil qui va au démarreur en cause.
Sinon tu l'alimentes en touchant le + du contacteur : ça fonctionne bien -> c'est le contacteur, ça fonctionne mal, c'est l'alimentation (le + du contacteur).
@+
DEnis
