Cerclage b hurth
- Lapin
- Main d'oeuvre

- Messages : 225
- Enregistré le : 24 oct. 2022 20:35
Cerclage b hurth
Salut. J'ai un petit soucis avec un cerclage de mon b hurth. Il est déformé, et du coup je n'arrive pas à mettre de la pression dans ma roue.
Je recherche soit un cerclage solo soit la jante complète. Si jamais quelqu'un à ça qui traîne....merci.
Je recherche soit un cerclage solo soit la jante complète. Si jamais quelqu'un à ça qui traîne....merci.
- hippo
- ...

- Messages : 20586
- Enregistré le : 27 juin 2008 16:03
Re: Cerclage b hurth
je cherche la même chose un peu pour la même raison, j'en ai déformé un et je pense qu'il va poser le même problème, moi c'est sur jante iveco mais je pense qu'ils sont identiques, je n'ai aucune idée si ça peut se trouver a l'unité mais je pense que c'est pas gagné. l'autre solution serait de reformer correctement la bête mais ça me parait pas évident non plus et c'est quand même un organe de sécurité un peu sensible.
bonne chance a toi en tous cas et fait signe si tu trouves un bon filon.
rectificatif, moi c'est la partie "circlip" geant qu'il me faut, toi si j'ai bien compris c'est l'anneau coté "22maxi" sur le plan ?
bonne chance a toi en tous cas et fait signe si tu trouves un bon filon.
rectificatif, moi c'est la partie "circlip" geant qu'il me faut, toi si j'ai bien compris c'est l'anneau coté "22maxi" sur le plan ?
- Lapin
- Main d'oeuvre

- Messages : 225
- Enregistré le : 24 oct. 2022 20:35
Re: Cerclage b hurth
C'est bien le gros circlip qui ne plaque plus pour moi.
Ici le lien qui explique les différences entre les 2 jantes. En tout cas le cerclage n'est pas interchangeable entre les 2
viewtopic.php?p=69766&hilit=Jantes+hurth#p69766
J'ai essayé de le redresser à la sangle et avec des presses. Mais c'est un échec. Si j'en trouve je te fais signe. Reste à savoir si c'est les mêmes...
viewtopic.php?p=69766&hilit=Jantes+hurth#p69766
J'ai essayé de le redresser à la sangle et avec des presses. Mais c'est un échec. Si j'en trouve je te fais signe. Reste à savoir si c'est les mêmes...
- hippo
- ...

- Messages : 20586
- Enregistré le : 27 juin 2008 16:03
Re: Cerclage b hurth
ok effectivement c'est donc bien le "circlip" toi aussi, et effectivement aussi si rien n'indique qu'ils soient différents entre iveco et B en section du moins ils se ressemblent beaucoup, rien n'indique non plus qu'ils soient compatibles voir identiques, a plus forte raison si tu disposes déjà de ceux de 2 types de B différents et déjà non interchangeables entre eux.
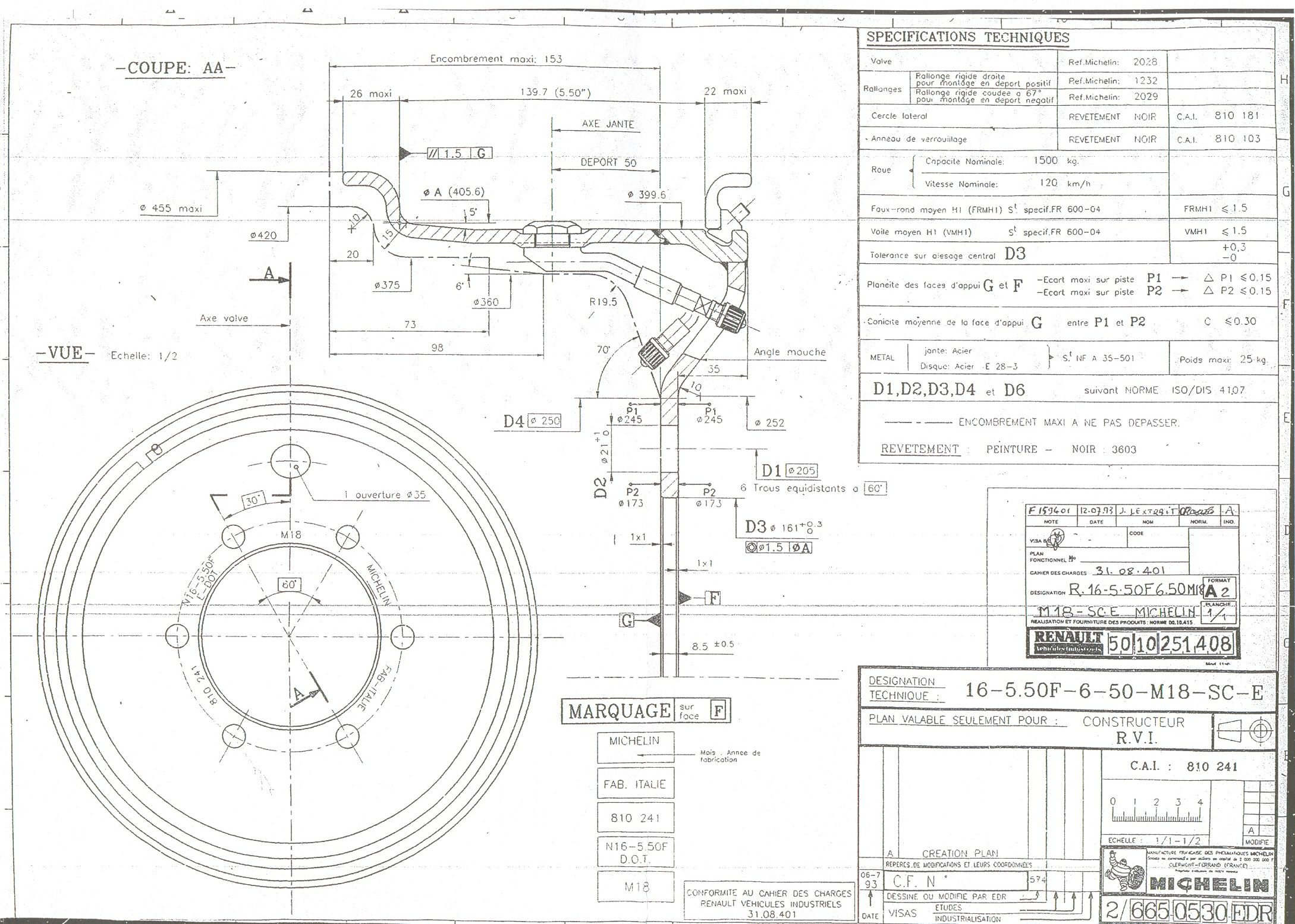
le post de Dimitri n'en fait pas état, il mentionne juste une incompatibilité de montages de pneus qui me laissaient supposer que c'était surtout le diametre exterieur de l'anneau (hauteur de talon) qui était différente.
et le fait que Bouzinac suggère a certains possesseurs d'iveco de se procurer des jantes de B pour prélever leur cerclage et rendre celles des anciens ivecos étanche ne présume pas non plus de cette compatibilité puisque je pense qu'ils prélèvent également la partie soudée sur la jante pour la ressouder sur celles d'iveco donc le système de cerclage reste intégralement entier dans ce cas (c'est la partie soudée qu'on voit sur le plan que j'ai mis au dessus.
le post de Dimitri n'en fait pas état, il mentionne juste une incompatibilité de montages de pneus qui me laissaient supposer que c'était surtout le diametre exterieur de l'anneau (hauteur de talon) qui était différente.
et le fait que Bouzinac suggère a certains possesseurs d'iveco de se procurer des jantes de B pour prélever leur cerclage et rendre celles des anciens ivecos étanche ne présume pas non plus de cette compatibilité puisque je pense qu'ils prélèvent également la partie soudée sur la jante pour la ressouder sur celles d'iveco donc le système de cerclage reste intégralement entier dans ce cas (c'est la partie soudée qu'on voit sur le plan que j'ai mis au dessus.
- Lapin
- Main d'oeuvre

- Messages : 225
- Enregistré le : 24 oct. 2022 20:35
Re: Cerclage b hurth
https://leboncoin.fr/equipement_auto/2446235139.htm
Je ne sais pas si le cerclage correspond mais c'est trop loin de chez-moi et il n'envoie pas...
Peut-être que tu n'es pas loin!
Et oui les 900r16 se montent bien sur les jantes 8.25
👍 1
- hippo
- ...

- Messages : 20586
- Enregistré le : 27 juin 2008 16:03
Re: Cerclage b hurth
bienvu c'est fort possible que ce soit compatible, mais effectivement ça ne m'étonne pas que ce soit loin de chez toi..en fait je pense même que c'est loin de tout le monde sauf de chez lui 
- Lapin
- Main d'oeuvre

- Messages : 225
- Enregistré le : 24 oct. 2022 20:35
Re: Cerclage b hurth
Est-ce que quelqu'un sait si les cerclages des jantes ponticelli vont sur les hurth?
- hippo
- ...

- Messages : 20586
- Enregistré le : 27 juin 2008 16:03
Re: Cerclage b hurth
je me suis posé la même question mais n'ai pas la réponse, c'est toujours pareil, peu de gens ont possédé les 2 pour en être sur et je me méfie comme la peste d'une approximation en la matiere compte tenu du grand danger que celà représente.
je ne savais même pas si elles étaient de type "etanches" mais je vois que si compte tenu des valves en place par contre je n'ai jamais eu le cerclage en main. (en section ceux d'iveco et B hurth me semblent compatibles sans pour autant là non plus avoir eu l'occasion d'essayer l'un sur l'autre)
ci dessous les ponti
je ne savais même pas si elles étaient de type "etanches" mais je vois que si compte tenu des valves en place par contre je n'ai jamais eu le cerclage en main. (en section ceux d'iveco et B hurth me semblent compatibles sans pour autant là non plus avoir eu l'occasion d'essayer l'un sur l'autre)
ci dessous les ponti
- Lapin
- Main d'oeuvre

- Messages : 225
- Enregistré le : 24 oct. 2022 20:35
Re: Cerclage b hurth
Et oui c'est pour celles ci que je dis ça. Il n'est pas loin de chez-moi. Je l'avais déjà rencontré pour des pneus.
Je lui ai demandé la référence du clips mais il m'a dit non!
Va savoir pourquoi.
J'essaierai d'aller là-bas avec une de mes jantes pour essayer. Si ça fait j'en prends 2. Et je t'enverrai un cerclage et un clip pour que tu essaies sur l'iveco.
À suivre.
Je lui ai demandé la référence du clips mais il m'a dit non!
Va savoir pourquoi.
J'essaierai d'aller là-bas avec une de mes jantes pour essayer. Si ça fait j'en prends 2. Et je t'enverrai un cerclage et un clip pour que tu essaies sur l'iveco.
À suivre.
- Beda
- Marathon man

- Messages : 807
- Enregistré le : 24 sept. 2017 07:39
- Prénom(s) : Beda
- Nom du véhicule : Renault B110
- Type de vehicule : 4x4 Ponticelli N°127
- Site Perso ou Pro : http://alleautos.org/
Re: Cerclage b hurth
Salut à tous,
les jantes d'origine sur notre Ponticelli sont des jantes Bouzinac.
Peut-être que quelqu'un là-bas pourra vous donner une réponse solide.
Le collaborateur, qui est (ou était) responsable des jantes spéciales, est (était) également présent sur le forum.
Pseudo : Bouzinac
Pascal Villechien :
p.villechien@bouzinac.fr

Je ne sais pas si c'est aussi le cas pour les jantes présentées.
Elles sont destinées à des versions à pneus simples.
Notre B était équipée de pneus jumelés.
PS:
Je viens de descendre à la cave et j'ai vérifié.
Nos jantes ne sont pas des jantes à joncs (cerclées?).
Je ne trouve pas non plus d'indication à ce sujet dans mon dossier,
que Ponticelli avait proposé de telles jantes.
les jantes d'origine sur notre Ponticelli sont des jantes Bouzinac.
Peut-être que quelqu'un là-bas pourra vous donner une réponse solide.
Le collaborateur, qui est (ou était) responsable des jantes spéciales, est (était) également présent sur le forum.
Pseudo : Bouzinac
Pascal Villechien :
p.villechien@bouzinac.fr
Je ne sais pas si c'est aussi le cas pour les jantes présentées.
Elles sont destinées à des versions à pneus simples.
Notre B était équipée de pneus jumelés.
PS:
Je viens de descendre à la cave et j'ai vérifié.
Nos jantes ne sont pas des jantes à joncs (cerclées?).
Je ne trouve pas non plus d'indication à ce sujet dans mon dossier,
que Ponticelli avait proposé de telles jantes.
mit Grüßen aus Langenlonsheim 
Beda
Hier gibt es die ganze Geschichte: Völlig B-ekloppt. Wir haben es schon wieder getan: Renault B110 4x4 Ponticelli Auf deutsch und mit Anmeldung.
Voici l'histoire complète : Totalement B-knocked out. Nous l'avons encore fait : Renault B110 4x4 Ponticelli En allemand et avec l'immatriculation.
Beda
Hier gibt es die ganze Geschichte: Völlig B-ekloppt. Wir haben es schon wieder getan: Renault B110 4x4 Ponticelli Auf deutsch und mit Anmeldung.
Voici l'histoire complète : Totalement B-knocked out. Nous l'avons encore fait : Renault B110 4x4 Ponticelli En allemand et avec l'immatriculation.
