geo : même pas eu le temps de les ouvrir
 , un peu comme votre traversée des alpes
 , un peu comme votre traversée des alpes  
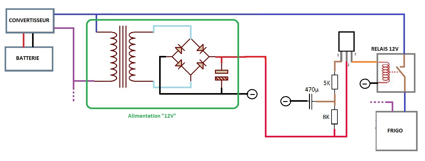
 seb : pour le pilotage du relais je pensais utiliser le thermocontact , faut juste que je vois si c'est une mise au plus ou au moins puisque celui ci remplace l'inter de mise en route du transfo
mais le schéma 1 avec " relais de temporisation avec retard à l'enclenchement" me plait bien
aurais-tu des ref à me donner que je puisse en faire la commande
a plus sylvain




 
 

 
 

 
 