chargeur batterie mode pas assez de puissance

Connexions, sécurité, normes, tableau électriques, sondes. Tout sauf batteries, solaire et gestion d'énergie.
Avatar du membre
SYL05
Je tranche dans le vif
Je tranche dans le vif
Messages : 1758
Enregistré le : 18 avr. 2010 17:41

chargeur batterie mode pas assez de puissance

Message par SYL05 »

salut,
en ce moment , je reste en fixe dans le tp3 et j'ai un petit problème.
Je m'explicationne :
le tp3 passe la semaine sans rouler , j'habite dedans , mais mon frigo fonctionne sur le 220 via un transfo 12/220 , comme je suis raccordé au 220 , j'ai mis un chargeur batterie 6A et ça suffit pas , avec les fortes chaleurs et les 40 degrés à l'intérieur il tourne beaucoup plus.
Question : j'ai un deuxième chargeur de même puissance est-ce que je peux les brancher tous les deux sur mes batteries en même temps ?
Merci d'avance
eric
Leguman
Leguman
Messages : 490
Enregistré le : 05 mars 2013 22:25

Re: chargeur batterie mode pas assez de puissance

Message par eric »

dsl ça je ne le sais pas .
mais pourquoi ne branches-tu pas ton frigo direct sur le secteur du coup il ferait moins chaud dans le tp3 (ton transfo chaufferait moins)
ton frigo est à compression ou à absorption ? pour le 2éme il faut une bonne ventilation entrée basse sortie haute voir même rajout de ventilateur
Avatar du membre
sebg61
Je scinde les sujets.
Je scinde les sujets.
Messages : 3575
Enregistré le : 18 août 2010 18:49

Re: chargeur batterie mode pas assez de puissance

Message par sebg61 »

Salut
eric a écrit :...mais pourquoi ne branche tu pas ton frigo direct sur le secteur
Exact, si tu le branches direct sur le 220V, à mon avis tu n'auras plus de soucis.

@+

Seb
Avatar du membre
SYL05
Je tranche dans le vif
Je tranche dans le vif
Messages : 1758
Enregistré le : 18 avr. 2010 17:41

Re: chargeur batterie mode pas assez de puissance

Message par SYL05 »

Bien d'accord avec toi eric , mais j'ai recablé le frigo pour que le thermoconctact pilote le transfo, histoire de pas laisser le transfo toujours tourner même à vide.

C'est un petit frigo 40 litre à compresseur du commerce (aldi) et j'ai pas envie de refaire le câblage, et ça marche nickel.
Pour l'instant et comme j'ai deux pack batteries dans le tp3, je fais de l'alternance, mais comme j'avais pas prévu cette manip, c'est pas pratique.

mais merci :wink:
Avatar du membre
sebg61
Je scinde les sujets.
Je scinde les sujets.
Messages : 3575
Enregistré le : 18 août 2010 18:49

Re: chargeur batterie mode pas assez de puissance

Message par sebg61 »

Salut,

il n'y a pas grand chose comme modif à faire :

Actuellement, le thermocontact (= relais "thermostaté") de ton frigo commande l'interrupteur de mise en marche du convertisseur ("transfo") ,

=> il suffit juste de mettre l'arrivé du 220V (la phase ou le neutre) sur le thermocontact pour alimenter le frigo ...

Si j'étais à ta place, je ferais ça ...

@+

Seb
eric
Leguman
Leguman
Messages : 490
Enregistré le : 05 mars 2013 22:25

Re: chargeur batterie mode pas assez de puissance

Message par eric »

SYL05 a écrit :Bien d'accord avec toi eric , mais j'ai recablé le frigo pour que le thermoconctact pilote le transfo, histoire de pas laisser le transfo toujours tourner même à vide.

C'est un petit frigo 40 litre à compresseur du commerce (aldi) et j'ai pas envie de refaire le câblage, et ça marche nickel.
Pour l'instant et comme j'ai deux pack batteries dans le tp3, je fais de l'alternance, mais comme j'avais pas prévu cette manip, c'est pas pratique.

mais merci :wink:
De rien c'était juste une idée comme ça , :wink: je passe la main à des personnes plus compétentes que moi.
Avatar du membre
SYL05
Je tranche dans le vif
Je tranche dans le vif
Messages : 1758
Enregistré le : 18 avr. 2010 17:41

Re: chargeur batterie mode pas assez de puissance

Message par SYL05 »

Sauf que le tp3 va aussi servir pour qu'on s’évade un petit peu et là plus de frigo ou re-cabler encore et pour ça re-démonter le frigo, j'ai pas encore prévu de trappe d’accès ni de double câblage puis, y a assez de trous dans la carrosserie :wink:
Ma question, c'est si je branche mes deux chargeur ensemble, je risque quoi :?:
Avatar du membre
sebg61
Je scinde les sujets.
Je scinde les sujets.
Messages : 3575
Enregistré le : 18 août 2010 18:49

Re: chargeur batterie mode pas assez de puissance

Message par sebg61 »

Salut,

une solution simple pour du sur place et du nomade : mettre un interrupteur bipolaire (inverseur) = soit 220V EDF, soit commande du convertisseur.

Après pour le couplage des chargeurs, normalement ça ne risque rien si c'est des "vieux" chargeurs classiques de batteries.

Pour ma part je ne pense pas que ce soit une bonne solution fiable ... je préfèrerais, quitte à me répéter, modifier la commutation des sources au niveau du thermocontact ...

@+

Seb
Avatar du membre
SYL05
Je tranche dans le vif
Je tranche dans le vif
Messages : 1758
Enregistré le : 18 avr. 2010 17:41

Re: chargeur batterie mode pas assez de puissance

Message par SYL05 »

Merci de ta réponse Seb.
Je vais hélas tourner pas défaut cette été avec les deux chargeurs et je reprendrais le câblage tranquillement à l'automne, l’expérience fait murir.
Par contre, quand tu parles d'un interrupteur bi polaire, moi je comprends double pistes.
Ou un simple deux positions /deux contacts on/off/on,
Avatar du membre
sebg61
Je scinde les sujets.
Je scinde les sujets.
Messages : 3575
Enregistré le : 18 août 2010 18:49

Re: chargeur batterie mode pas assez de puissance

Message par sebg61 »

Salut,

j'aurais pu dire un interrupteur "inverseur", en fait un interrupteur à 2 positions mais avec 3 contacts :

> un commun (le thermocontact)
> un contact 1 : le 220 EDF
> un contact 2 : le convertisseur

les deux position sont :

> soit contact entre commun et 1
> soit contact entre commun et 2

n'importe quel interrupteur "va et vien" peut faire l'affaire ( de préférence un modèle 16A)
Image3.jpg
Image3.jpg (8.82 Kio) Vu 4189 fois
@+

Seb
Avatar du membre
SYL05
Je tranche dans le vif
Je tranche dans le vif
Messages : 1758
Enregistré le : 18 avr. 2010 17:41

Re: chargeur batterie mode pas assez de puissance

Message par SYL05 »

je pense qu'il faut quand même un double piste :!: ou du relais

j'ai aussi un peu peur de mettre du 220 à la sortie du transfo
Avatar du membre
sebg61
Je scinde les sujets.
Je scinde les sujets.
Messages : 3575
Enregistré le : 18 août 2010 18:49

Re: chargeur batterie mode pas assez de puissance

Message par sebg61 »

Salut,

non, pour moi un "double piste" comme tu dis c'est :
Dscn2782.jpg
alors qu'un simple piste suffit, mais à 2 contact (celui du bas) :
Dscn2781.jpg
@+

Seb
Avatar du membre
SYL05
Je tranche dans le vif
Je tranche dans le vif
Messages : 1758
Enregistré le : 18 avr. 2010 17:41

Re: chargeur batterie mode pas assez de puissance

Message par SYL05 »

Niveau interrupteur on a bien le même langage.
Alors, j'arrive pas à comprendre comment tu entrevois le câblage ?
J’essaie de dessiner le câblage que j'ai dans la tête,et je te le soumet, merci Seb.
Avatar du membre
sebg61
Je scinde les sujets.
Je scinde les sujets.
Messages : 3575
Enregistré le : 18 août 2010 18:49

Re: chargeur batterie mode pas assez de puissance

Message par sebg61 »

Salut,

la nuit portant conseil je me suis apperçu que le schéma que j'ai mis hier ne prenais pas compte ton thermocontact, et ton idée qui est de mettre en route le convertisseur uniquement lorsqu'il y a besoin.

Du coup, voici un autre schéma avec 2 interrupteurs qui correspond à ton besoin :
schéma 1.gif
Le premier interrupteur positionne le thermocontact soit sur l'arrivé EDF, soit sur la commande de mise en marche du convertisseur.

Le deuxième interrupteur aiguille l'alimentation du frigo soit vers le 220V EDF, soit vers le 220V du convertisseur. (et en plus isole la sortie du convertisseur quand il y a du 220V EDF)

Pour que ça marche, les 2 interrupteurs doivent être basculés dans le même sens à chaque fois.

Si tu veux que je t'envoie les 2 interrputeurs, fais moi signe :wink:

@+

Seb
Avatar du membre
SYL05
Je tranche dans le vif
Je tranche dans le vif
Messages : 1758
Enregistré le : 18 avr. 2010 17:41

Re: chargeur batterie mode pas assez de puissance

Message par SYL05 »

Salut Seb,
merci pour le schéma, tip top.
Je pense que je vais peut être schinter le deuxième inter pour mettre deux prise de courant ou deux declic protection
- une pour le 220 v edf
- une pour 220 transfo

Pour l'inter, je te remercie mais t'inquiète, j'en ai aussi de même qualité.

Je suis aussi en train d'essayer de faire, un retardateur de démarrage pour intercaler entre le transfo et le frigo, car j'aime pas trop le voir démarrer et travailler instantanément, trois secondes devraient suffire, histoire de bien décomposer : mise en route du transfo / travail du transfo.
Si t'as un plan hyper simple, style un condo, une résistance, un transistor pour piloter un relais je suis preneur.

Merci encore et à plus sylvain
Avatar du membre
sebg61
Je scinde les sujets.
Je scinde les sujets.
Messages : 3575
Enregistré le : 18 août 2010 18:49

Re: chargeur batterie mode pas assez de puissance

Message par sebg61 »

Salut,

on applique : T ( temporisation en secondes) = R (résistance en Ohms) x C(condensateur en Farad), en théorie si rien n'est consommé derrière, pour arriver à T à 63% de la tension finale ... sauf que le relais va consommer du courant ... donc mieux vaut appliquer t = R*2*C à vue d'oeil ...

(Un relais automobile doit commencer à coller à partir de 6 ou 8V ...)

Le mieux, c'est que je vais prendre un relais auto de 70A et faire la manip en "live" ... je te dis ça demain pour 3 à 4 secondes quelles valeurs il faut prendre :wink:

@+

Seb
Avatar du membre
SYL05
Je tranche dans le vif
Je tranche dans le vif
Messages : 1758
Enregistré le : 18 avr. 2010 17:41

Re: chargeur batterie mode pas assez de puissance

Message par SYL05 »

:D pas trouvé de smiles avec un plus grand sourire

merci
Avatar du membre
sebg61
Je scinde les sujets.
Je scinde les sujets.
Messages : 3575
Enregistré le : 18 août 2010 18:49

Re: chargeur batterie mode pas assez de puissance

Message par sebg61 »

Salut,

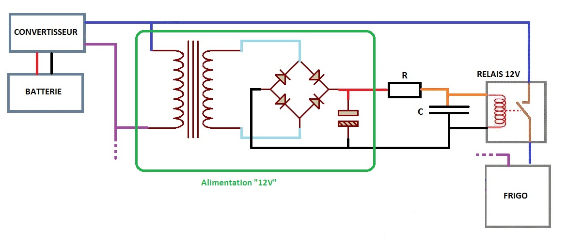
petite remarque avec le relais (le genre de relais de voiture), il faut le commander en 12V à partir du 220V ... donc c'est pas si simple :

Quelques propositions de montages :

1) simple et fiable, mais plus cher : un relais de temporisation avec retard à l'enclenchement (à partir de 20 ou 25€ neuf)
sans relais 12V
sans relais 12V
2) moins simple, mais moins cher : un simple contacteur de puissance (5 à 10 € d'occasion) + un relais auto + 1 condo + 1 résistance
SCHEMA2.gif
3) simple et pas cher : avec un transo de récup et un relais auto + 1 condo + 1 résistance
SCHEMA4.jpg
(ce qui est en vert est équivalent à un transfo 12v genre :
transfo.jpg
transfo.jpg (8.37 Kio) Vu 4055 fois
Pour les calculs de R et C, je fais ça dès que j'ai moment ...

@+

Seb
Avatar du membre
geo
Je pars
Je pars
Messages : 1302
Enregistré le : 14 nov. 2008 10:26

Re: chargeur batterie mode pas assez de puissance

Message par geo »

Tiens il me vient une autre idée: avec une sécurité de porte de machine à laver (ou verrou de porte)
Pas cher(recup ou neuf), 220v, simple et compact.

extrait
Le principe de fonctionnement
Lors de la mise en marche, le courant électrique entre par la cosse d'alimentation (4), traverse la CTP (3), et s'échappe par la cosse de retour (1).La CTP s'échauffe alors, entrainant une montée en température du mécanisme de verrou (4), qui va avoir tendance à se déformer jusqu'a entrer en contact avec la cosse d'alimentation générale de l'appareil (5).
+ d'info -> http://www.tout-electromenager.fr/pièce ... porte.html
Par contre je ne connais pas la conso (pour l’échauffement de la CTP) de cette pièce :?:
Et aussi qu'elle chauffe un peu dans son ensemble aussi, gaffe ou la placer.



Sinon pour une minuterie à base de circuit RC : il y a aussi ce site qui explique bien http://www.sonelec-musique.com/electron ... teurs.html
avec avantages et inconvénients des différentes variantes.


Et alors le Syl, t'as pas trouvé ton bonheur dans les bouquins 303 montages, 304 etc :?: :mrgreen: fouet
Avatar du membre
sebg61
Je scinde les sujets.
Je scinde les sujets.
Messages : 3575
Enregistré le : 18 août 2010 18:49

Re: chargeur batterie mode pas assez de puissance

Message par sebg61 »

Salut Geo,

autant pour la CPT ça me parait une bonne piste ... autant pour le reste ça fait un peu "usine à gaz" ... surtout qu'il y a peu de schémas de transformation de commande 220/12 pour relais ...

@+

Seb
Répondre

Retourner vers « Electricité Cellules »