220V en 12V ? (pour utilisation sédentaire)
- sako30
- Balayeur

- Messages : 214
- Enregistré le : 10 mars 2010 14:55
- Prénom(s) : Alain
220V en 12V ? (pour utilisation sédentaire)
Bonsoir à tous,
Étant nul en électricité je voudrai savoir si je branche le 220 v à un transfo 220- 12v
Pour alimenter l’éclairage et le frigo dans mon iveco s’il n’y a pas incidence sur la batterie auxiliaire et la batterie du fourgon
Merci a vous
Étant nul en électricité je voudrai savoir si je branche le 220 v à un transfo 220- 12v
Pour alimenter l’éclairage et le frigo dans mon iveco s’il n’y a pas incidence sur la batterie auxiliaire et la batterie du fourgon
Merci a vous
-
calou09230
Re: 220 en 12 v
A priori non si l'alimentation ne va que sur tes deux objectifs, mais une fois le 220 débranché plus rien ne fonctionne.
- sako30
- Balayeur

- Messages : 214
- Enregistré le : 10 mars 2010 14:55
- Prénom(s) : Alain
Re: 220 en 12 v
Bonjour a tous
Si je débranche le 220 il y a la batterie auxiliaire qui prend le relais
Si je débranche le 220 il y a la batterie auxiliaire qui prend le relais
- sako30
- Balayeur

- Messages : 214
- Enregistré le : 10 mars 2010 14:55
- Prénom(s) : Alain
- Bastien
- Je scinde les sujets.

- Messages : 4058
- Enregistré le : 13 janv. 2007 17:03
- Nom de Famille : Debucquoi
- Prénom(s) : Sébastien
- Instagram : https://www.instagram.com/bastien59360/
- Chaine Youtube : https://www.youtube.com/channel/UCorSAy ... QhDqyNJQXg
- Profil Facebook : https://www.facebook.com/Bastien59360
- Site Perso ou Pro : http://debucquoi.com
Re: 220 en 12 v
Attention tu ne peux pas brancher ta batterie aux comme ça sur ton transfo (auquel il faudra un pont redresseur) sans régulation du courant de charge.
Bastien
Bastien
Toutes les fautes de frappe, d'orthographe, de grammaire et de syntaxe ci-dessus, sont la propriété intellectuelle de l'auteur.
Elles peuvent être reproduites ou même corrigées sans son accord préalable.
Elles peuvent être reproduites ou même corrigées sans son accord préalable.
- sako30
- Balayeur

- Messages : 214
- Enregistré le : 10 mars 2010 14:55
- Prénom(s) : Alain
Re: 220 en 12 v
Salut Bastien
Je comprends : d'un coté j'ai à la sortie du transfo du 12 v alternatif et je lui mets du coté du coupleur du 12 v continu
donc pont redresseur à la sortie du transfo et je fais mes branchements après et ça marche
mais l'arrivée constante de 12 v venant du transfo ne risque pas de griller ma batterie auxiliaire ?
Cordialement,
Alain
Je comprends : d'un coté j'ai à la sortie du transfo du 12 v alternatif et je lui mets du coté du coupleur du 12 v continu
donc pont redresseur à la sortie du transfo et je fais mes branchements après et ça marche
mais l'arrivée constante de 12 v venant du transfo ne risque pas de griller ma batterie auxiliaire ?
Cordialement,
Alain
- Bastien
- Je scinde les sujets.

- Messages : 4058
- Enregistré le : 13 janv. 2007 17:03
- Nom de Famille : Debucquoi
- Prénom(s) : Sébastien
- Instagram : https://www.instagram.com/bastien59360/
- Chaine Youtube : https://www.youtube.com/channel/UCorSAy ... QhDqyNJQXg
- Profil Facebook : https://www.facebook.com/Bastien59360
- Site Perso ou Pro : http://debucquoi.com
Re: 220 en 12 v
Oui et non,sako30 a écrit : mais l'arrivée constente de 12 v venant du transfo ne risque pas de griller ma batterie auxiliaire ?
Sur une batterie vide le courant va être énorme.
Par contre à tension égale le courant sera nul.
Ca marchera mais ça ne se fait pas et s'est dangereux.
Bastien
Toutes les fautes de frappe, d'orthographe, de grammaire et de syntaxe ci-dessus, sont la propriété intellectuelle de l'auteur.
Elles peuvent être reproduites ou même corrigées sans son accord préalable.
Elles peuvent être reproduites ou même corrigées sans son accord préalable.
- sako30
- Balayeur

- Messages : 214
- Enregistré le : 10 mars 2010 14:55
- Prénom(s) : Alain
Re: 220 en 12 v
RE
Et pour que mon systéme fonctionne il faudrait faire comment ?
Je voudrai quand je suis dans la nature que tout marche sur la batterie auxiliaire
et quand je rentre chez moi ,je branche le 220 v
Pour le frigo pas de probléme il y a la prise 220
mais pour la lumière je devrai avoir un double circuit avec des lampes en 220
Alain
Et pour que mon systéme fonctionne il faudrait faire comment ?
Je voudrai quand je suis dans la nature que tout marche sur la batterie auxiliaire
et quand je rentre chez moi ,je branche le 220 v
Pour le frigo pas de probléme il y a la prise 220
mais pour la lumière je devrai avoir un double circuit avec des lampes en 220
Alain
- vieux-new-one
- Je scinde les sujets.

- Messages : 3318
- Enregistré le : 10 oct. 2007 15:16
Re: 220 en 12 v
Bonjour
Une solution simple : il faut un chargeur de batterie (un bon avec une bonne régul, dimensionné correctement) connecté directement sur la batterie. Quand il est branché sur le 22Ov, toute ton installation continue de fonctionner en 12 volts et le chargeur envoie dans la batterie ce qui est pompé (comme le fait une instalation de panneaux solaires). Quand tu débranches le 220 volts, la batterie de service assure toute seule l'alimentation du camion.
Comme le paradis n'existe pas... les puristes diront qu'avec ce montage ta batterie ne sera jamais rechargée complétement (fonctionnement en floating) C'est la même chose avec des panneaux solaires qui débitent dans la batterie au fur et à mesure des besoins. Je ne connais pas le poucentage exact mais c'est très peu, sans incidence sur notre vie de nomades...
Il existe dans les catalogues de shipschandlers ou d'équipementiers de camping car des chargeurs spécialement dédiés à cette fonction. Je ne peux dire s'ils ont des montages et technologies sophistiqués pour améliorer ce que fait un chargeur "ordinaire" (je me méfie toujours du baratin vendeur de ces distributeurs).
Cordialement
Yves
Une solution simple : il faut un chargeur de batterie (un bon avec une bonne régul, dimensionné correctement) connecté directement sur la batterie. Quand il est branché sur le 22Ov, toute ton installation continue de fonctionner en 12 volts et le chargeur envoie dans la batterie ce qui est pompé (comme le fait une instalation de panneaux solaires). Quand tu débranches le 220 volts, la batterie de service assure toute seule l'alimentation du camion.
Comme le paradis n'existe pas... les puristes diront qu'avec ce montage ta batterie ne sera jamais rechargée complétement (fonctionnement en floating) C'est la même chose avec des panneaux solaires qui débitent dans la batterie au fur et à mesure des besoins. Je ne connais pas le poucentage exact mais c'est très peu, sans incidence sur notre vie de nomades...
Il existe dans les catalogues de shipschandlers ou d'équipementiers de camping car des chargeurs spécialement dédiés à cette fonction. Je ne peux dire s'ils ont des montages et technologies sophistiqués pour améliorer ce que fait un chargeur "ordinaire" (je me méfie toujours du baratin vendeur de ces distributeurs).
Cordialement
Yves
Si on ne fait rien, rien ne change !
- Bastien
- Je scinde les sujets.

- Messages : 4058
- Enregistré le : 13 janv. 2007 17:03
- Nom de Famille : Debucquoi
- Prénom(s) : Sébastien
- Instagram : https://www.instagram.com/bastien59360/
- Chaine Youtube : https://www.youtube.com/channel/UCorSAy ... QhDqyNJQXg
- Profil Facebook : https://www.facebook.com/Bastien59360
- Site Perso ou Pro : http://debucquoi.com
Re: 220 en 12 v
Je suis d'accord avec Yves.
Toutes les fautes de frappe, d'orthographe, de grammaire et de syntaxe ci-dessus, sont la propriété intellectuelle de l'auteur.
Elles peuvent être reproduites ou même corrigées sans son accord préalable.
Elles peuvent être reproduites ou même corrigées sans son accord préalable.
- sako30
- Balayeur

- Messages : 214
- Enregistré le : 10 mars 2010 14:55
- Prénom(s) : Alain
Re: 220 en 12 v
Bonsoir yves
Après la discutions avec Bastien j’ai revu mon schéma et je suis d’accord avec toi
Pour installer un chargeur à la place d’un simple transfo
Je viens de discuter avec un ami qui est plus pointu que moi en électricité auto
Et qui m’a tenu les même propos
En sachant que je peux trouver un chargeur de batterie avec une coupure automatique en fin de charge
Merci pour tous les conseils que vous m’avez donné
A+
Alain
Après la discutions avec Bastien j’ai revu mon schéma et je suis d’accord avec toi
Pour installer un chargeur à la place d’un simple transfo
Je viens de discuter avec un ami qui est plus pointu que moi en électricité auto
Et qui m’a tenu les même propos
En sachant que je peux trouver un chargeur de batterie avec une coupure automatique en fin de charge
Merci pour tous les conseils que vous m’avez donné
A+
Alain
- vieux-new-one
- Je scinde les sujets.

- Messages : 3318
- Enregistré le : 10 oct. 2007 15:16
Re: 220 en 12 v
Bonjour
Un chargeur de batterie avec coupeur en fin de charge coute il beaucoup plus cher qu'un sans coupeur ? A vérifier que la coupure n'est pas du genre "tout ou rien" ( une fois atteint un certain voltage) car ce n'est pas très bon pour les batteries et n'assure pas une bonne charge.
On peut imaginer de faire débiter un chargeur (sans coupeur de fin de charge) dans une régulateur électronique (qui ne soit pas "tout ou rien" mais gére de façon "intelligente" la charge) prévu pour installation de panneaux solaire (qui coûte quand même assez cher, donc faut comparer). Mais si tu as prévu des panneaux photovoltaiques, tu branches le chargeur 220V avant le régul des panneaux (donc en parallèle avec les panneaux) et le tour est joué (les panneaux sont protégés par des diodes anti retour). Attention toutefois à ce que la capacité du régul soit suffisante pour encaisser l'ampérage du chargeur 220 v qui sera beaucoup plus important que celle des panneaux solaires en début de charge (suivant l'appareil). Mais tu n'as pas besoin d'un chargeur 220v qui débite beaucoup dans ton cas, pour de l'entretien ou utilisation en floating. Toujours dans le cas où tu aurais prévu les panneaux solaires, il me semble qu'un chargeur très simple, de faible puissance, très bon marché ferait l'affaire.
Cordialement
Yves
Un chargeur de batterie avec coupeur en fin de charge coute il beaucoup plus cher qu'un sans coupeur ? A vérifier que la coupure n'est pas du genre "tout ou rien" ( une fois atteint un certain voltage) car ce n'est pas très bon pour les batteries et n'assure pas une bonne charge.
On peut imaginer de faire débiter un chargeur (sans coupeur de fin de charge) dans une régulateur électronique (qui ne soit pas "tout ou rien" mais gére de façon "intelligente" la charge) prévu pour installation de panneaux solaire (qui coûte quand même assez cher, donc faut comparer). Mais si tu as prévu des panneaux photovoltaiques, tu branches le chargeur 220V avant le régul des panneaux (donc en parallèle avec les panneaux) et le tour est joué (les panneaux sont protégés par des diodes anti retour). Attention toutefois à ce que la capacité du régul soit suffisante pour encaisser l'ampérage du chargeur 220 v qui sera beaucoup plus important que celle des panneaux solaires en début de charge (suivant l'appareil). Mais tu n'as pas besoin d'un chargeur 220v qui débite beaucoup dans ton cas, pour de l'entretien ou utilisation en floating. Toujours dans le cas où tu aurais prévu les panneaux solaires, il me semble qu'un chargeur très simple, de faible puissance, très bon marché ferait l'affaire.
Cordialement
Yves
Si on ne fait rien, rien ne change !
- sako30
- Balayeur

- Messages : 214
- Enregistré le : 10 mars 2010 14:55
- Prénom(s) : Alain
Re: 220 en 12 v
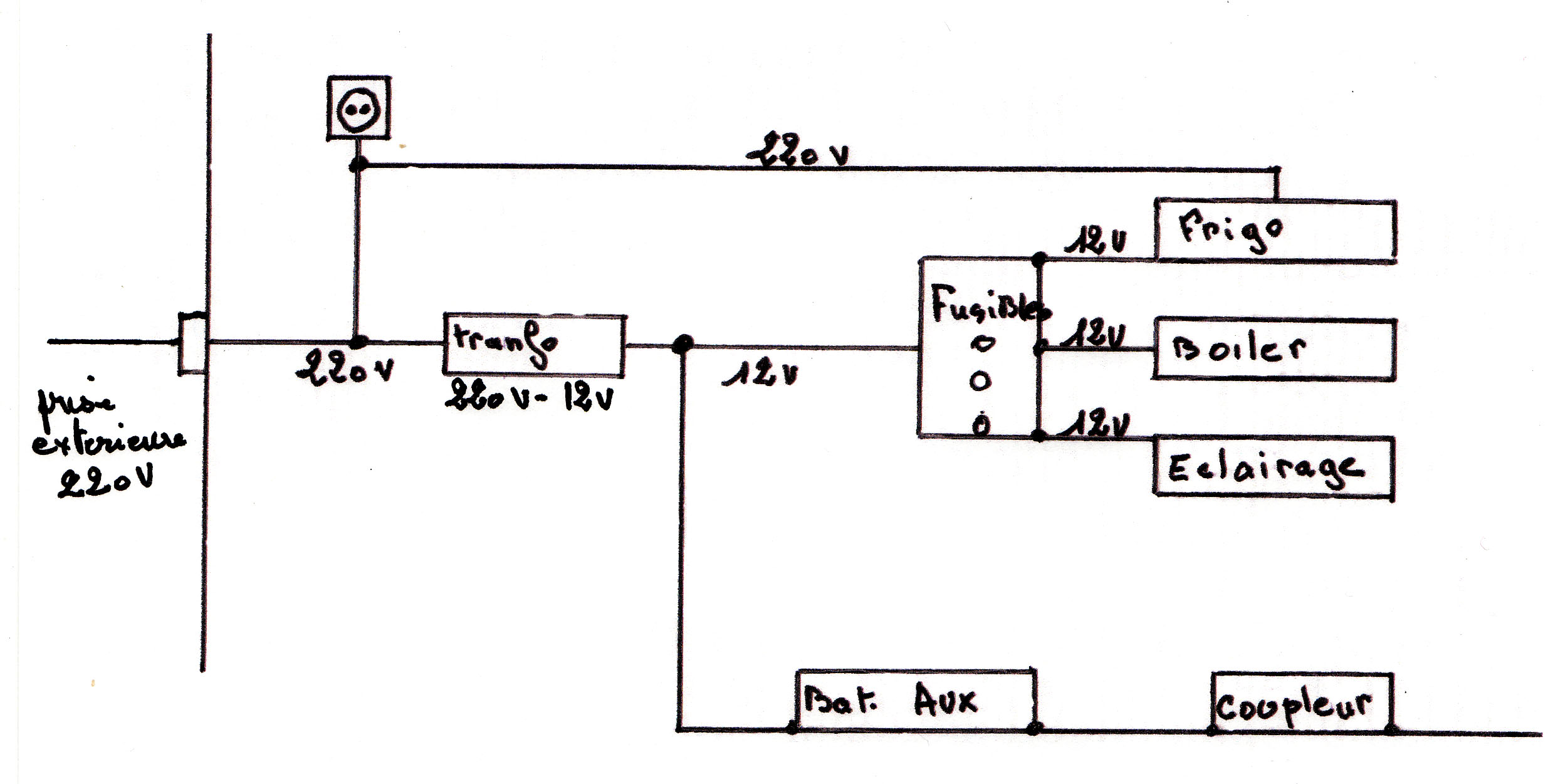
Bonjour a tous
J’ai presque terminé mon installation électrique il me reste que la connexion
Batterie aux. au porte fusibles
Mais j’ai un doute sur la grosseur des fusibles
Dites moi si j’ai tout bon
Et ne serait il pas souhaitable de placer un coupe batterie après la sortie
de la batterie aux.
Merci à vous tous
Alain
J’ai presque terminé mon installation électrique il me reste que la connexion
Batterie aux. au porte fusibles
Mais j’ai un doute sur la grosseur des fusibles
Dites moi si j’ai tout bon
Et ne serait il pas souhaitable de placer un coupe batterie après la sortie
de la batterie aux.
Merci à vous tous
Alain
- vieux-new-one
- Je scinde les sujets.

- Messages : 3318
- Enregistré le : 10 oct. 2007 15:16
Re: 220 en 12 v
Bonjour
Je suppose que c'est pour simplifier le schéma et qu'en fait les tout est branché en parallèle sur la batterie auxiliaire.
Tu peux mettre un interrupteur en sortie si tu sens le besoin d'isoler complétement tout le circuit "de service". Je te conseille un interrupteur bipôlaire (ou deux simples, l'un sur le plus l'autre sur le moins) afin d'avoir la certitude que tout le circuit est isolé (en cas de bricolage ultérieur du circuit par ex)
Je ne suis pas très en faveur des coupleurs/séparateurs, il y a un post sur ce sujet.
Cordialement
Yves
Je suppose que c'est pour simplifier le schéma et qu'en fait les tout est branché en parallèle sur la batterie auxiliaire.
Tu peux mettre un interrupteur en sortie si tu sens le besoin d'isoler complétement tout le circuit "de service". Je te conseille un interrupteur bipôlaire (ou deux simples, l'un sur le plus l'autre sur le moins) afin d'avoir la certitude que tout le circuit est isolé (en cas de bricolage ultérieur du circuit par ex)
Je ne suis pas très en faveur des coupleurs/séparateurs, il y a un post sur ce sujet.
Cordialement
Yves
Si on ne fait rien, rien ne change !
- Bruno Jordan
- Je scinde les sujets.

- Messages : 3302
- Enregistré le : 13 janv. 2007 17:40
Re: 220 en 12 v
En principe un fusible est a calibrer en fonction du diamètre du fil.
Mais tu peux aussi le sous calibrer en fonction de l'appareil alimenté.
Donc ton installation est bonne sauf pour le + trimixte, (diamètre fil et fusible)
Oui tu peux mettre un coupe batterie sur le plus alimentation bornier fusible, cela te permet de couper l'alimentation de tout les appareils en même temps lors de non utilisation et ainsi limiter les pertes.
Il te manque aussi un moins pour le coupleur séparateur.
Mais tu peux aussi le sous calibrer en fonction de l'appareil alimenté.
Donc ton installation est bonne sauf pour le + trimixte, (diamètre fil et fusible)
Oui tu peux mettre un coupe batterie sur le plus alimentation bornier fusible, cela te permet de couper l'alimentation de tout les appareils en même temps lors de non utilisation et ainsi limiter les pertes.
Il te manque aussi un moins pour le coupleur séparateur.

- Bruno Jordan
- Je scinde les sujets.

- Messages : 3302
- Enregistré le : 13 janv. 2007 17:40
Re: 220 en 12 v
Je ne comprend pas cette phrase.new-one a écrit :Bonjour
Je suppose que c'est pour simplifier le schéma et qu'en fait les tout est branché en parallèle sur la batterie auxiliaire.
Yves

- sako30
- Balayeur

- Messages : 214
- Enregistré le : 10 mars 2010 14:55
- Prénom(s) : Alain
