Boite transfert de Sprinter
- pepere63
- Shooter de chèvres

- Messages : 1394
- Enregistré le : 28 févr. 2014 07:00
Re: Boite transfert de Sprinter
Bonjour et merci pat25 . Un détail , tu écris : """le mieux c'est de ne pas avoir de bloc central en courtes. """
Je comprends : ""le mieux est de ne pas avoir de blocage du différentiel inter ponts , lorsqu'on est en vitesses courtes """ est ce bien cela ?
Sur mon engin , il n'y a pas de différentiel inter ponts , ce qui reviens au même qu'avoir un différentiel inter ponts bloqué . Pour ce qui est du couple en vitesses courtes , je pense que M.B. a fait solide , comme d'habitude , et que avant de casser un arbre de transmission , les roues vont patiner . L'avantage des courtes , c'est justement d'essayer de passer en douceur .
Bonne semaine .
Je comprends : ""le mieux est de ne pas avoir de blocage du différentiel inter ponts , lorsqu'on est en vitesses courtes """ est ce bien cela ?
Sur mon engin , il n'y a pas de différentiel inter ponts , ce qui reviens au même qu'avoir un différentiel inter ponts bloqué . Pour ce qui est du couple en vitesses courtes , je pense que M.B. a fait solide , comme d'habitude , et que avant de casser un arbre de transmission , les roues vont patiner . L'avantage des courtes , c'est justement d'essayer de passer en douceur .
Bonne semaine .
- Pat 25
- Ca plane pour moi

- Messages : 1485
- Enregistré le : 30 mars 2010 11:02
Re: Boite transfert de Sprinter
C'est sur que si tu n'as d'autre choix que de bloquer le central pour être en courte....................mais je ne pensais pas a l'arbre de transmission, mais plutôt a un arbre de roue, même en y allant doucement le couple qui est prévu pour être réparti sur les 4 roues se retrouve sur les 2 AR et le couple aux roues en courtes est très très important.
C'est vrai que les manœuvres en courtes avec une remorque lourdement chargée, c'est top. (c'est d'origine sur mon 100)
C'est vrai que les manœuvres en courtes avec une remorque lourdement chargée, c'est top. (c'est d'origine sur mon 100)
-----------------------------
Ivéco 3CCartier 55 17
Ivéco 3CCartier 55 17
- pepere63
- Shooter de chèvres

- Messages : 1394
- Enregistré le : 28 févr. 2014 07:00
Re: Boite transfert de Sprinter
Oui .....mais non , je n'ai pas de différentiel central .... donc je ne peux pas le bloquer ...mais je pourrai quand même être en vitesses courtes ...soit en 2 roues motrices soit en quatre roues motrices .
Un petit résumé peut être ?
Je parle de mon sprinter qui est vendu en France , à partir d'aout 2002 jusque avant 2006 .
Le sprinter est un propulsion . En version 4x4 Mercedes ( oublions ici les préparateurs ),on lui ajoute un pont avant et une boîte transfert .
Il y a 3 types de boîte transfert en option :
version 1 B.T. avec enclenchement volontaire de la transmission vers l'avant (sans différentiel )
version 2 B.T. " " " " " " " " " " " " " " " " " " " " " " " " " " " " " " " " " " " " " " " " " " " " " ET enclenchement volontaire d'un réducteur .
version 3 B.T. avec transmission permanente vers l'avant ( je dis bien permanente donc on ne peut pas faire autrement ) et je suppose ( que ceux qui en sont sûr le disent ) un différentiel . Réducteur ou pas ?
A cela , on ajoute un différentiel avec blocage à l'arrière .
Donc , j'ai déposé ma boîte transfert version 1 , pour la remplacer par la version 2 .
Si je me trompe , dites le moi !
J'espère que c'est clair .
Bonne soirée .
Un petit résumé peut être ?
Je parle de mon sprinter qui est vendu en France , à partir d'aout 2002 jusque avant 2006 .
Le sprinter est un propulsion . En version 4x4 Mercedes ( oublions ici les préparateurs ),on lui ajoute un pont avant et une boîte transfert .
Il y a 3 types de boîte transfert en option :
version 1 B.T. avec enclenchement volontaire de la transmission vers l'avant (sans différentiel )
version 2 B.T. " " " " " " " " " " " " " " " " " " " " " " " " " " " " " " " " " " " " " " " " " " " " " ET enclenchement volontaire d'un réducteur .
version 3 B.T. avec transmission permanente vers l'avant ( je dis bien permanente donc on ne peut pas faire autrement ) et je suppose ( que ceux qui en sont sûr le disent ) un différentiel . Réducteur ou pas ?
A cela , on ajoute un différentiel avec blocage à l'arrière .
Donc , j'ai déposé ma boîte transfert version 1 , pour la remplacer par la version 2 .
Si je me trompe , dites le moi !
J'espère que c'est clair .
Bonne soirée .
- Pat 25
- Ca plane pour moi

- Messages : 1485
- Enregistré le : 30 mars 2010 11:02
Re: Boite transfert de Sprinter
Ce n'est pas moi qui vais t'apprendre ce que tu as sur ton véhicule, mais je mets en garde sur le fait de faire des manoeuvres en courtes 2RM surtout avec une charge au cul, c'est les arbres de roues qui feront fusible dans le meilleurs des cas.............................
-----------------------------
Ivéco 3CCartier 55 17
Ivéco 3CCartier 55 17
- pepere63
- Shooter de chèvres

- Messages : 1394
- Enregistré le : 28 févr. 2014 07:00
Re: Boite transfert de Sprinter
Hello , un lien pour voir l'intérieur de la boîte transfert avec réducteur montée sur sprinter ( avant 2006 ) réf. ZG3 :
http://www.camping-car.com/actualites/t ... oberaigner
Bonne route .
http://www.camping-car.com/actualites/t ... oberaigner
Bonne route .
- pepere63
- Shooter de chèvres

- Messages : 1394
- Enregistré le : 28 févr. 2014 07:00
Re: Boite transfert de Sprinter
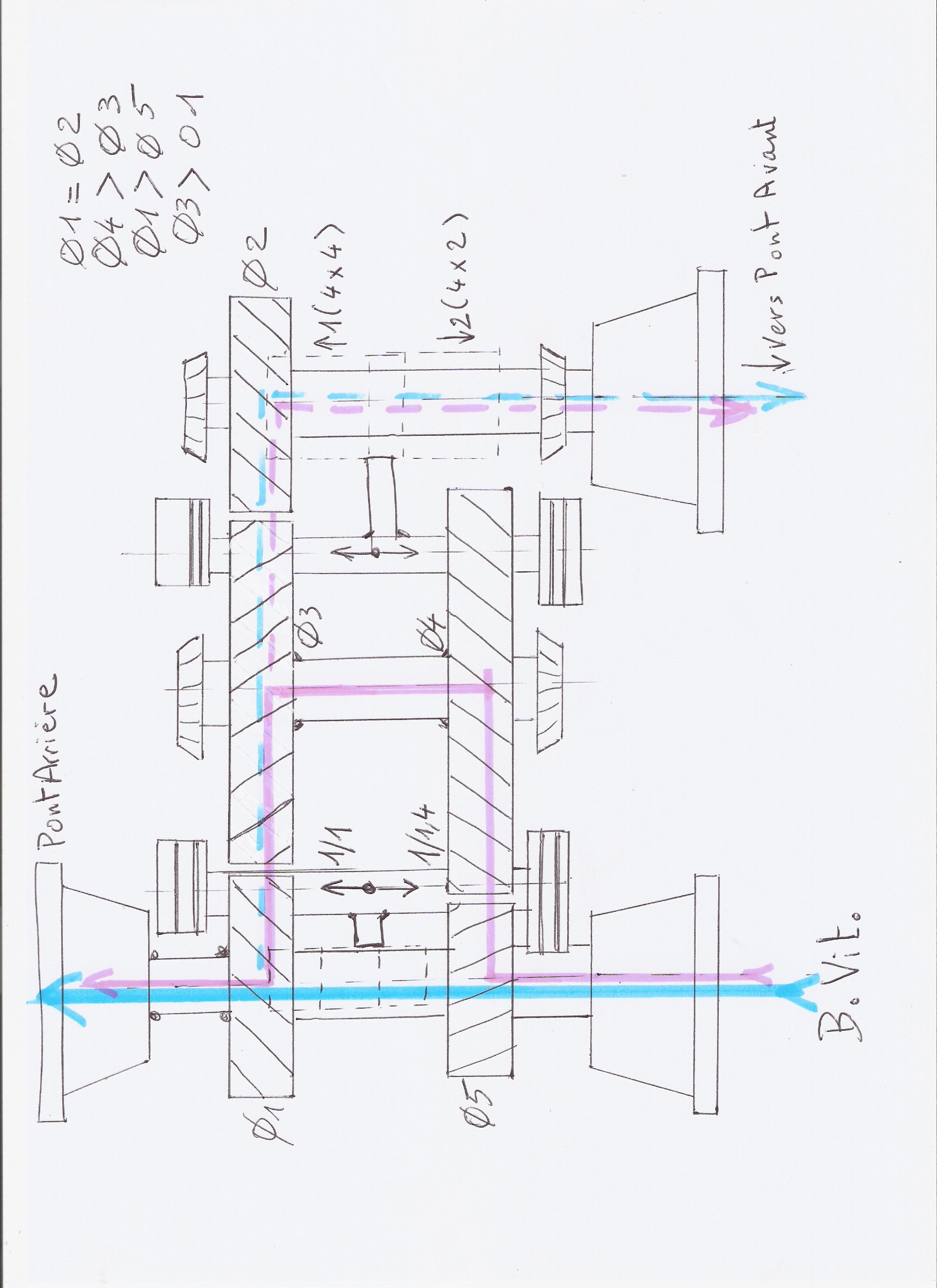
Hello , j'ai démonté la boîte transfert avec réducteur . Voilà un schéma ( pas à l'échelle , bien sûr ) .
Donc en bleu plein propulsion simple , en bleu pointillé 4 roues motrices , en rose plein propulsion avec réduction , en rose pointillé 4 roues motrices avec réduction .
Je ferais des photos de pièces boite ouverte . A noter que beaucoup de pièces comportent le repérage classique M.B. avec une lettre et 10 chiffres .
Le pignon double qui est au centre pèse avec ses 2 roulements ... ? A vous de deviner .
Je ferais des photos de pièces boite ouverte . A noter que beaucoup de pièces comportent le repérage classique M.B. avec une lettre et 10 chiffres .
Le pignon double qui est au centre pèse avec ses 2 roulements ... ? A vous de deviner .
- pepere63
- Shooter de chèvres

- Messages : 1394
- Enregistré le : 28 févr. 2014 07:00
Re: Boite transfert de Sprinter
Hello , quelques photos de la boîte transfert avec réduction .
des écrous de 30 à 12 pans fixent les tulipes sur les arbres et sont serrés à 28 daN.m
joint papier neuf de 0.2 mm et perforatrice de 8 mm
un roulement à billes à portés oblique avec cage en bronze ou laiton ( ?)
Les roulements , même à rouleaux coniques viennent en butée sur de gros circlips , c'est entre les deux qu'il faut éventuellement mettre des cales de réglages .
Pour refermer les carters , il est utile de le chauffer celui sur lequel un roulement s'insère , à la lampe à souder .
Protection en alu de 6mm roulé à la machine , découpé à la main et plié à l'étau , il reste à souder les extrémités .
L'écrou sur la tulipe ne faisait pas l'étanchéité à l'huile , démontage et mise en place d'un joint venant des pistons de baladeurs .
Il reste à monter la boîte sur le Mickey ...
Il reste à monter la boîte sur le Mickey ...
- pepere63
- Shooter de chèvres

- Messages : 1394
- Enregistré le : 28 févr. 2014 07:00
Re: Boite transfert de Sprinter
Hello ,sorry , j'ai oublié quelques photos ....
- pepere63
- Shooter de chèvres

- Messages : 1394
- Enregistré le : 28 févr. 2014 07:00
Re: Boite transfert de Sprinter
Bonjour , suite .
Les essais sur route ne sont pas bons . Malgré le changement des joints des pistons de baladeurs , les changements vitesse longue/vitesse courte forcent , le baladeur est resté une fois sur le point mort intermédiaire et une fois sur la position courte , il est repassé brutalement en position point mort intermédiaire . Bref pas fiable , pas possible de partir comme ça . Je réfléchis .
Bonne soirée .
Les essais sur route ne sont pas bons . Malgré le changement des joints des pistons de baladeurs , les changements vitesse longue/vitesse courte forcent , le baladeur est resté une fois sur le point mort intermédiaire et une fois sur la position courte , il est repassé brutalement en position point mort intermédiaire . Bref pas fiable , pas possible de partir comme ça . Je réfléchis .
Bonne soirée .
- pepere63
- Shooter de chèvres

- Messages : 1394
- Enregistré le : 28 févr. 2014 07:00
Re: Boite transfert de Sprinter
Bonjour , re suite , à trois jours du départ , tout semble bien fonctionner ( sauf...)
Les baladeurs ont été graissés avec de la graisse pour les pistons de freins ( c'est aussi un piston avec joint spy qui se déplace dans un cylindre alu ).
J'utilise de la pression d'air pour actionner les baladeurs , pression obtenue par un petit compresseur fixé sur la batterie , avec un interrupteur poussoir à appui momentané au tableau de bord plus un inverseur pour aller vers une électrovanne ou l'autre pour ce qui concerne les vitesses courtes ou longues .
1 ou 2 secondes de fonctionnement du compresseur suffissent pour que le voyant rouge de position obtenue s'allume .
Ainsi , j'évite les problèmes avec le calculateur ( sauf...)
Pour ce qui concerne le passage de 4/2 en 4/4 et inversement , j'utilise aussi la pression d'air , mais avec les interrupteurs d'origine , donc le calculateur fait des siennes et m'empêche le fonctionnement du blocage de différentiel arrière . Pas trop grave car je trouve que ça induit de grosses fatigues dans les transmissions , et puis j'ai du mal à imaginer un sprinter surchargé avec deux roues en l'air en diagonale !
Donc , pour le blocage de dif. on verra plus tard , et j'ai déjà des idées la-dessus .
Pour le moment : soit 2 roues motrices en propulsion , soit en courtes , soit en longues , soit 4 roues motrices ou en courtes ou en longues , et avec un différentiel dans chaque pont , la transmission ne doit pas trop souffrir en 4/4 , sauf dans les virages serrés .
Voilà , voilà . Bonne soirée .
Les baladeurs ont été graissés avec de la graisse pour les pistons de freins ( c'est aussi un piston avec joint spy qui se déplace dans un cylindre alu ).
J'utilise de la pression d'air pour actionner les baladeurs , pression obtenue par un petit compresseur fixé sur la batterie , avec un interrupteur poussoir à appui momentané au tableau de bord plus un inverseur pour aller vers une électrovanne ou l'autre pour ce qui concerne les vitesses courtes ou longues .
1 ou 2 secondes de fonctionnement du compresseur suffissent pour que le voyant rouge de position obtenue s'allume .
Ainsi , j'évite les problèmes avec le calculateur ( sauf...)
Pour ce qui concerne le passage de 4/2 en 4/4 et inversement , j'utilise aussi la pression d'air , mais avec les interrupteurs d'origine , donc le calculateur fait des siennes et m'empêche le fonctionnement du blocage de différentiel arrière . Pas trop grave car je trouve que ça induit de grosses fatigues dans les transmissions , et puis j'ai du mal à imaginer un sprinter surchargé avec deux roues en l'air en diagonale !
Donc , pour le blocage de dif. on verra plus tard , et j'ai déjà des idées la-dessus .
Pour le moment : soit 2 roues motrices en propulsion , soit en courtes , soit en longues , soit 4 roues motrices ou en courtes ou en longues , et avec un différentiel dans chaque pont , la transmission ne doit pas trop souffrir en 4/4 , sauf dans les virages serrés .
Voilà , voilà . Bonne soirée .
- Pat 25
- Ca plane pour moi

- Messages : 1485
- Enregistré le : 30 mars 2010 11:02
Re: Boite transfert de Sprinter
Si ton dif central est bloqué, ça souffre encore plus en virages serrés mais pas que....................
-----------------------------
Ivéco 3CCartier 55 17
Ivéco 3CCartier 55 17
- pepere63
- Shooter de chèvres

- Messages : 1394
- Enregistré le : 28 févr. 2014 07:00
Re: Boite transfert de Sprinter
Bonsoir ,
pour Pat 25 : il n'y a pas de différentiel central .... seulement un différentiel dans chaque pont .
Bonsoir .
pour Pat 25 : il n'y a pas de différentiel central .... seulement un différentiel dans chaque pont .
Bonsoir .
- Pat 25
- Ca plane pour moi

- Messages : 1485
- Enregistré le : 30 mars 2010 11:02
Re: Boite transfert de Sprinter
Donc dans aucun cas rouler en 4x4 sur surface adhérente.
-----------------------------
Ivéco 3CCartier 55 17
Ivéco 3CCartier 55 17
- pepere63
- Shooter de chèvres

- Messages : 1394
- Enregistré le : 28 févr. 2014 07:00
Re: Boite transfert de Sprinter
Bonjour Pat 25 , tu as raison . Avec une exception : on peut rouler avec les quatre roues motrices enclenchées sur chaussée adhérentes
- sans différentiel central et sans risque pour les transmissions - si les roues avants sont en ligne droite . ( en tout cas sur mon sprinter )
Mon Mitsubishi L300 à un différentiel à glissement limité dans le pont arrière , et en 4x4 , je n'ai pas de limite sur chaussée sèche pour rouler les roues avants braquées .
Je me pose une question : les T3 syncro , les Espace Renault quadra ( et d'autres ...) ont un visco-coupleur " central " . Ont-ils des limites à la progression sur chaussées adhérentes avec les roues avants braquées ?
Bon dimanche .
- sans différentiel central et sans risque pour les transmissions - si les roues avants sont en ligne droite . ( en tout cas sur mon sprinter )
Mon Mitsubishi L300 à un différentiel à glissement limité dans le pont arrière , et en 4x4 , je n'ai pas de limite sur chaussée sèche pour rouler les roues avants braquées .
Je me pose une question : les T3 syncro , les Espace Renault quadra ( et d'autres ...) ont un visco-coupleur " central " . Ont-ils des limites à la progression sur chaussées adhérentes avec les roues avants braquées ?
Bon dimanche .
- Pat 25
- Ca plane pour moi

- Messages : 1485
- Enregistré le : 30 mars 2010 11:02
Re: Boite transfert de Sprinter
Oui, en ligne droite il y a pas de soucis, les contraintes ne sont qu'en virages suite aux différences de rotation des roues.
C'est valable pour tout les 4x4 non permanent enclanchable.
C'est valable pour tout les 4x4 non permanent enclanchable.
-----------------------------
Ivéco 3CCartier 55 17
Ivéco 3CCartier 55 17
- Pat 25
- Ca plane pour moi

- Messages : 1485
- Enregistré le : 30 mars 2010 11:02
Re: Boite transfert de Sprinter
Bon 1er Maipepere63 a écrit :Bonjour Pat 25 , tu as raison . Avec une exception : on peut rouler avec les quatre roues motrices enclenchées sur chaussée adhérentes
- sans différentiel central et sans risque pour les transmissions - si les roues avants sont en ligne droite . ( en tout cas sur mon sprinter )
Mon Mitsubishi L300 à un différentiel à glissement limité dans le pont arrière , et en 4x4 , je n'ai pas de limite sur chaussée sèche pour rouler les roues avants braquées .
C'est surtout que tu as certainement une boite Super Select qui te permet ça, rien a voir avec les glissement limité du pont AR
Je me pose une question : les T3 syncro , les Espace Renault quadra ( et d'autres ...) ont un visco-coupleur " central " . Ont-ils des limites à la progression sur chaussées adhérentes avec les roues avants braquées ?
Ayant eu une 21 turbo Quadra, il y a aucune contrainte a ce niveau, et sur la neige un vrai régal, mais trop typé traction et elle tient trop de place une fois bien placé sur la route
Bon dimanche .
-----------------------------
Ivéco 3CCartier 55 17
Ivéco 3CCartier 55 17
- pepere63
- Shooter de chèvres

- Messages : 1394
- Enregistré le : 28 févr. 2014 07:00
Re: Boite transfert de Sprinter
Re -bonjour
"""""C'est surtout que tu as certainement une boite Super Select qui te permet ça, rien a voir avec les glissement limité du pont AR..... """"
Non , pas de boîte Super Sélect .
""""""Ayant eu une 21 turbo Quadra, il y a aucune contrainte a ce niveau, et sur la neige un vrai régal, mais trop typé traction ......""""
Bon , alors , sur mon Sprinter , il me suffit d'ajouter un visco coupleur au bon endroit pour pouvoir rouler en 4 roues motrices sur route adhérente , y compris dans les ronds points .
Bonne journée .
"""""C'est surtout que tu as certainement une boite Super Select qui te permet ça, rien a voir avec les glissement limité du pont AR..... """"
Non , pas de boîte Super Sélect .
""""""Ayant eu une 21 turbo Quadra, il y a aucune contrainte a ce niveau, et sur la neige un vrai régal, mais trop typé traction ......""""
Bon , alors , sur mon Sprinter , il me suffit d'ajouter un visco coupleur au bon endroit pour pouvoir rouler en 4 roues motrices sur route adhérente , y compris dans les ronds points .
Bonne journée .
- come 09
- Je scinde les sujets.

- Messages : 5061
- Enregistré le : 05 juin 2009 00:14
Re: Boite transfert de Sprinter
oui s'est un débat interessent mais personnellement je trouve que le visco est une merde infâme: un collègue a eu un subaru forester de 2006 et le visco,irréparable évidement, n'a pas tenu 190000 km il y en avait pour plus de 1000€ de pièce + la main œuvre,sur les range rover les boite de transfert borg warner on fréquemment le visco en rade.... franchement s'est une aberration mécanique : t'est obliger de changer les 4 pneus en même temps,sinon cela crée un glissement entre les 2 ponts,qui fini par fatigué le visco...en franchissement le visco est bon et mauvais partout....il est impossible ou presque d'avoir 50/50 de transmission de puissance...bref...
comme tu disait patrick,effectivement sur les 21 quadra et autre audi 80 la répartition n'est que de 80% av et 20% arrière....un visco quoi
....
aussi je ne vois pas du tout l’intérêt de rouler en 4 permanent avec nos camion qui n'on pas de chevaux, cela n’apporte absolument rien sur le goudron a par bouffer du pneus du go et des cardans...

comme tu disait patrick,effectivement sur les 21 quadra et autre audi 80 la répartition n'est que de 80% av et 20% arrière....un visco quoi
aussi je ne vois pas du tout l’intérêt de rouler en 4 permanent avec nos camion qui n'on pas de chevaux, cela n’apporte absolument rien sur le goudron a par bouffer du pneus du go et des cardans...
tp3
trm2000
B110 ponticelli
hdj80 12s
nissan 350z
renault r2087
clio 4 rs edc 200 modif,stage 1: 235ch et 319Nm
renault espace IV 2L turbo 170ch
B110 4x4,1999,ponts renault, 2.8L
trm2000
B110 ponticelli
hdj80 12s
nissan 350z
renault r2087
clio 4 rs edc 200 modif,stage 1: 235ch et 319Nm
renault espace IV 2L turbo 170ch
B110 4x4,1999,ponts renault, 2.8L
- pepere63
- Shooter de chèvres

- Messages : 1394
- Enregistré le : 28 févr. 2014 07:00
Re: Boite transfert de Sprinter
Bonsoir come 09 , tu as bien raison :
""""je ne vois pas du tout l’intérêt de rouler en 4 permanent avec nos camion qui n'on pas de chevaux, cela n’apporte absolument rien sur le goudron a par bouffer du pneus du go et des cardans...""""
c'est juste que je poussais le raisonnement dans ces limites . Mais il m'est arrivé d'avoir besoin des quatre roues motrices pour - par exemple -remonter d'un fossé sur le goudron , en courbe bien sur et j'aime pas le bruit que ça fait ! même chose avec des virages en devers sur des pistes bien dures . Je me disais qu'un visco coupleur arrangerait bien les choses .
Bonne soirée .
""""je ne vois pas du tout l’intérêt de rouler en 4 permanent avec nos camion qui n'on pas de chevaux, cela n’apporte absolument rien sur le goudron a par bouffer du pneus du go et des cardans...""""
c'est juste que je poussais le raisonnement dans ces limites . Mais il m'est arrivé d'avoir besoin des quatre roues motrices pour - par exemple -remonter d'un fossé sur le goudron , en courbe bien sur et j'aime pas le bruit que ça fait ! même chose avec des virages en devers sur des pistes bien dures . Je me disais qu'un visco coupleur arrangerait bien les choses .
Bonne soirée .
- Pat 25
- Ca plane pour moi

- Messages : 1485
- Enregistré le : 30 mars 2010 11:02
Re: Boite transfert de Sprinter
Un Visco est réparable, mais faut savoir le faire, en général c'est le gel qui est a remplacer, c'est un empilement de disques avec un gel silicone.
C'est un peux comme les visco de ventillo que l'on change alors qu'il suffit de changer le gel.
Ensuite un visco est taré un peu comme un glissement limité, donc tu peux avoir du 50/50, 80/20, 20/80, mais ce n'est qu'une configuration usine que tu ne peux pas changer.
C'est un peux comme les visco de ventillo que l'on change alors qu'il suffit de changer le gel.
Ensuite un visco est taré un peu comme un glissement limité, donc tu peux avoir du 50/50, 80/20, 20/80, mais ce n'est qu'une configuration usine que tu ne peux pas changer.
-----------------------------
Ivéco 3CCartier 55 17
Ivéco 3CCartier 55 17
