Il faudrait aussi pouvoir connaitre la temp de refonte de la paraffine... (Leooo?
@+
dimitri






« être frappé / marqué au coin du bon sens. »
Porter la marque du bon sens.
Être plein de bon sens.
Voilà une nouvelle expression qui peut paraître bizarre et difficilement compréhensible si on ne pense qu'aux coins d'une caisse ou au coin de la rue (à condition d'être parti dans le bon sens, bien sûr).
Mais point de rue, foin de caisse ici !
Il faut remonter aux temps anciens où les monnaies n'étaient pas produites de manière centralisée et industrielle, mais 'frappées' localement par les seigneurs selon une technique () qui n'a commencé à évoluer que tardivement.
Avant le XVIe siècle, les pièces étaient fabriquées à l'aide de morceaux d'acier gravés en creux avec l'empreinte qui devait être laissée sur la pièce, cette marque très reconnaissable permettant d'en identifier l'origine.
Ces morceaux d'acier s'appelaient des coins (remarquez qu'en anglais, 'pièce' se dit aussi 'coin').
Notre expression est donc une métaphore en liaison avec ces marques définitives que laissaient les coins lorsqu'une pièce était frappée ou marquée.
Mais, si aujourd'hui on emploie surtout le "bon sens" en complément, la véritable expression est "être frappé (ou marqué) au coin" suivi d'un autre complément quelconque.
Ainsi, dans la littérature, on peut trouver "du bon goût", "de la bonne éducation", "de l'amabilité bourgeoise", "d'une haute inspiration"...
L'expression peut donc s'employer avec toute personne ou chose qui porte clairement la marque d'une qualité ou qui est pleine de cette même qualité.




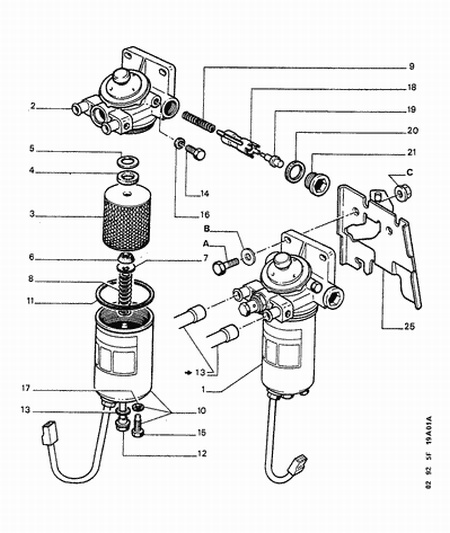
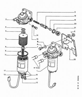
Juste une petite précision...les réchauffeurs carburant ne sont pas une aide au démarrage
ce système est là pour éviter les bouchons de paraffine ou autres cristallisations des contenus dans le carburant, l'endroit le plus étroit dans le circuit carburant c'est le filtre par définition.
C'est donc tout naturellement là que doit être le réchauffage gazole.
mais le raffinage du gazole aujourd'hui rend ce système inutile , a moins que vous rameniez des pleins complets d'Afrique...j'ai donné

new-one a écrit : en cherchant des infos sur le net je retombe sur le forum
Notre ami Daniel a déjà donné de bonnes explications...
Je crois que Daniel voulait dire: "les réchauffeurs ne sont pas une aide au démarrage... par rapport au système type bougie de préchauffage".new-one a écrit :les réchauffeurs carburant ne sont pas une aide au démarrage




Aah je l'ai toujours dit, ici il faut se méfier des "gros-sot, modo"!new-one a écrit :Quelque modo de passage aurait il bidouillé mon inter ?

ce n'est pas le cas ?new-one a écrit : Il me semblait n'avoir mis que le lien avec le post en ref ?
Non, je te rassure, aucun modo ne semble avoir repris ton message, si c'était le cas, il y devrait y avoir une trace de la modification dans le journal d'activité des modérateurs.new-one a écrit :Quelque modo de passage aurait il bidouillé mon inter ?
leoduro a écrit :Aah je l'ai toujours dit, ici il faut se méfier des "gros-sot, modo"!

C'est parce que je travaille dans l'ombre et que je porte toujours une fausse moustache quand je suis sur le forum, ça permet de faire ce que l'on veut incognitosebg61 a écrit :je te rassure, aucun modo ne semble avoir repris ton message, si c'était le cas, il y devrait y avoir une trace de la modification dans le journal d'activité des modérateurs.

lapetite a écrit :...
Et obligé de dépenser un message , observez l'avatarlà-oui !!!
K-ro en mode super-modo
![]()
![]()


Mes plus plates excuses à tout modérateur que j'aurais pu offenser par ce vilain jeu de mot tellement irrésistible.lapetite a écrit :Et pis à cause de vous, mon pote Leo s'est pris un avertissement, bien fait, qu'à rester poli
Diiim? relis bien mon mp, tu vois rien lààààlapetite a écrit :Oui, bin Dim vient pas sous mon soleil