Eclaté de nos Ivecos !

Tutoriels avec photos de modifications ou d'améliorations ainsi que les commentaires.
Répondre
Avatar du membre
cyrchristo
Petit Tambour
Petit Tambour
Messages : 956
Enregistré le : 20 avr. 2011 13:49

Re: Eclaté de nos Ivecos !

Message par cyrchristo »

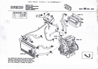
Je remercie Claude qui m'a donné pas mal de microfiches pouvant nous être utiles :!:

Si certain ont en leur possession les fiches manquantes manquantes...
CCF04072013_00000 (2).jpg
CCF04072013_00000 (3).jpg
CCF04072013_00000 (4).jpg
CCF04072013_00000 (5).jpg
CCF04072013_00000 (6).jpg
CCF04072013_00000 (9).jpg
CCF04072013_00000 (7).jpg
Modifié en dernier par cyrchristo le 04 juil. 2013 19:05, modifié 1 fois.
__________o______
!__________\\______\
!.iveco.I<>[III\\______\_
!====I==I==I=\#-==-#\
!_/---\I___I_/---\_/-----/
--(o)_)---------(o)_)----(o)_)
Mes blogs de voyage:
http://lesaventuresdecyriletarmony.blogspot.com/ , http://cavalofroads.blogspot.fr/
Avatar du membre
cyrchristo
Petit Tambour
Petit Tambour
Messages : 956
Enregistré le : 20 avr. 2011 13:49

Re: Eclaté de nos Ivecos !

Message par cyrchristo »

La suite des éclatés !
CCF04072013_00000 (10).jpg
CCF04072013_00000 (11).jpg
CCF04072013_00000 (12).jpg
CCF04072013_00000 (13).jpg
CCF04072013_00000 (14).jpg
CCF04072013_00000 (17).jpg
CCF04072013_00000 (8).jpg
Modifié en dernier par cyrchristo le 04 juil. 2013 19:07, modifié 1 fois.
__________o______
!__________\\______\
!.iveco.I<>[III\\______\_
!====I==I==I=\#-==-#\
!_/---\I___I_/---\_/-----/
--(o)_)---------(o)_)----(o)_)
Mes blogs de voyage:
http://lesaventuresdecyriletarmony.blogspot.com/ , http://cavalofroads.blogspot.fr/
Avatar du membre
cyrchristo
Petit Tambour
Petit Tambour
Messages : 956
Enregistré le : 20 avr. 2011 13:49

Re: Eclaté de nos Ivecos !

Message par cyrchristo »

Et encore !
CCF04072013_00000 (18).jpg
CCF04072013_00000 (19).jpg
CCF04072013_00000 (20).jpg
CCF04072013_00000 (21).jpg
CCF04072013_00000 (15).jpg
CCF04072013_00000 (16).jpg
__________o______
!__________\\______\
!.iveco.I<>[III\\______\_
!====I==I==I=\#-==-#\
!_/---\I___I_/---\_/-----/
--(o)_)---------(o)_)----(o)_)
Mes blogs de voyage:
http://lesaventuresdecyriletarmony.blogspot.com/ , http://cavalofroads.blogspot.fr/
Avatar du membre
hippo
...
...
Messages : 20490
Enregistré le : 27 juin 2008 16:03

Re: Eclaté de nos Ivecos !

Message par hippo »

un topic qui mériterait d'être placé en post it pour ne pas sombrer dans les profondeurs.
Répondre

Retourner vers « Mécanique Iveco 4x4 »