comme j'ai deposer mes arbres de transmission, je souhaite changer le joint de nez de pont arriere Hurth.
il fuit l'huile.
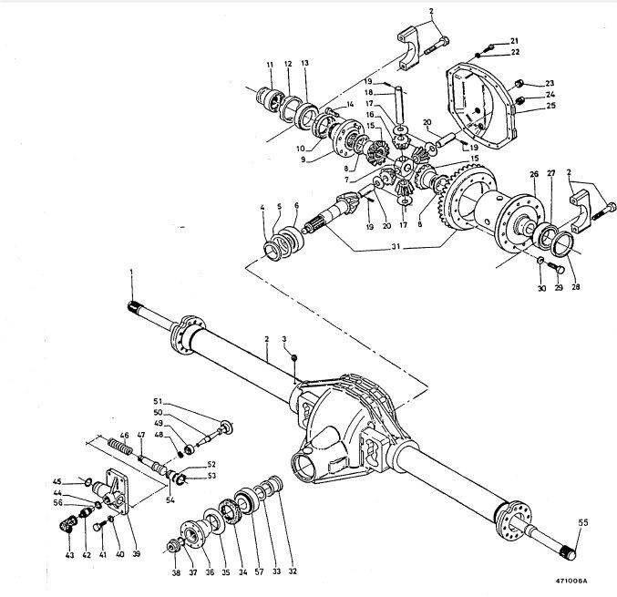
mais voici ce que dit le manuel
Déposer l'écrou (38).
Utiliser l'outillage nO 9134.
Récupérer le joint (37).
Déposer le plateau d'entraînement (36).
Chasser le pignon d'attaque (31).
Utiliser un jet en bronze.
Déposer la bague de roulement (6).
Récupérer les cales (5).
Retirer le déflecteur (4).
A remplacer au montage.
ou puis je trouver le plan avec les numeros ??
ou si quelqu'un a des photos......
a+
Marc.




