Je tiens à vous faire partager mes erreurs digne d'une histoire drôle.
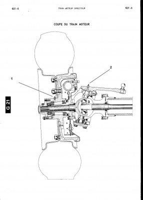
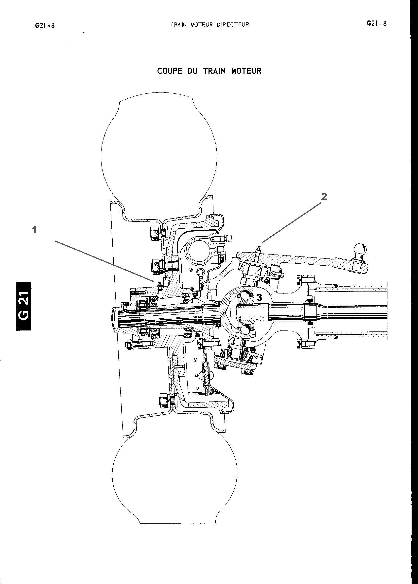
Moi depuis le début je graisse mon cardan en "1" voir ci dessous.
Pour aller à Salives j'ai même rajouté une cartouche .. et pis en rentrant à la maison je me suis aperçu que l'intérieur de la jante était grasse!!!
Et là c'est le drame!
Donc au vu du désastre j'ai appelé Sylvain qui m'a beaucoup aidé et expliqué...
Seulement tout cela, ça graisse pas mon cardan ... J'ai graissé par la purge "2" mais j'y ai laissé ma pompe à graisse ... impossible de faire rentrer du gras là dedans!
Aller on démonte et on comprend:
Voici la bague bronze qui est juste sous le graisseur "2"
La graisse passe par là:
ici:
Pis après sa doit passer dans cette petite rainure:
Pour enfin sortir juste en dessous dans cette dernière gorge après avoir fait tout le tour
Mais quel labyrinthe !!!!
Bon j'ai bien compris la fonction de cette gorge c'est de graisser la bague bronze ... Mais je ne suis pas prèt de faire passer toute ma cartouche de graisse par ce chemin
Donc je fabrique mon raccourci
Et voila c'est direct dans la coquille!
Ne pas oublier de continuer de graisser en "2"
Voilà j'espère que sa peut aider à ne pas reproduire ma bêtise!
Gabriel
Graisser le cardan dans la coquille!
-
Mukka
- Je suis zen.

- Messages : 710
- Enregistré le : 29 janv. 2012 20:41
-
Bruno Jordan
- Je scinde les sujets.

- Messages : 3319
- Enregistré le : 13 janv. 2007 17:40
Re: Graisser le cardan dans la coquille!
Et pourquoi tu n' utilises pas le trou de la mise à l'air pour graisser?

-
nico02
- Leguman

- Messages : 490
- Enregistré le : 08 févr. 2010 20:22
Re: Graisser le cardan dans la coquille!
Salut,
Pardonne mon ignorance... ou le manque de café à cette heure.
Mais d'où vient le problème ? Tu mettais trop de graisse en 1 ? C'était bouché ?
J'ai souvent tendance à y aller très généreusement...
Merci & bonne journée.
Pardonne mon ignorance... ou le manque de café à cette heure.
Mais d'où vient le problème ? Tu mettais trop de graisse en 1 ? C'était bouché ?
J'ai souvent tendance à y aller très généreusement...
Merci & bonne journée.
-
Le Camioneur
- Je ne veux voir qu'une seule tête.

- Messages : 2409
- Enregistré le : 11 janv. 2011 22:13
Re: Graisser le cardan dans la coquille!
En lisant ton schema, je comprends que le graisseur 1 graisse les roulement de fusée.
Le 2, le pivot supérieur.
En voyant tes photos je me dis:
- Son graisseur (celui du milieu) est mort car la graisse ressort par la bille anti-retour...
- Pour le cardan (le joint homocinétique devrait-on dire) je mettrais plutôt de la graisse graphitée (la noire qui tache) qui offre une meilleures lubrification (tu en mettras moins) et qui résiste mieux à la température. (l'autre coule ou sèche).
Enfin, je ne connais pas en détail vos pivots, mais si c'est comme sur les toy (ça y ressemble) une sphère avec un joint (feutre etc..) je te conseil alors la chose suivante:
Tu graisses (par ton graisseur ou autre) mais jamais au max (ça tourne la dedans, en ça rentre en pression si pas d'espace). Le problème est que la graisse à tendance à gicler et rester sur l'extérieur. Il faut alors rajouter un peu d'huile bien épaisse (par exemple huile de pont 80 ou 85W90), par un orifice.
Ca suinte un peu mais c'est hyper efficace. Si ça pisse comme neige au soleil, alors tes joints de bol sont raide.
Le 2, le pivot supérieur.
En voyant tes photos je me dis:
- Son graisseur (celui du milieu) est mort car la graisse ressort par la bille anti-retour...
- Pour le cardan (le joint homocinétique devrait-on dire) je mettrais plutôt de la graisse graphitée (la noire qui tache) qui offre une meilleures lubrification (tu en mettras moins) et qui résiste mieux à la température. (l'autre coule ou sèche).
Enfin, je ne connais pas en détail vos pivots, mais si c'est comme sur les toy (ça y ressemble) une sphère avec un joint (feutre etc..) je te conseil alors la chose suivante:
Tu graisses (par ton graisseur ou autre) mais jamais au max (ça tourne la dedans, en ça rentre en pression si pas d'espace). Le problème est que la graisse à tendance à gicler et rester sur l'extérieur. Il faut alors rajouter un peu d'huile bien épaisse (par exemple huile de pont 80 ou 85W90), par un orifice.
Ca suinte un peu mais c'est hyper efficace. Si ça pisse comme neige au soleil, alors tes joints de bol sont raide.
...
-
SYL05
- Je tranche dans le vif

- Messages : 1758
- Enregistré le : 18 avr. 2010 17:41
Re: Graisser le cardan dans la coquille!
éh éh bien pensé
gabriel , tu vas être le prof des pivots
sylvain
sylvain
une familia dans les hautes alpes vous attend
http://forum.bernard.debucquoi.com/view ... =14&t=4194
http://forum.bernard.debucquoi.com/view ... 910#p64392
http://forum.bernard.debucquoi.com/view ... f=5&t=5913
http://forum.bernard.debucquoi.com/view ... =14&t=4194
http://forum.bernard.debucquoi.com/view ... 910#p64392
http://forum.bernard.debucquoi.com/view ... f=5&t=5913
-
Mukka
- Je suis zen.

- Messages : 710
- Enregistré le : 29 janv. 2012 20:41
Re: Graisser le cardan dans la coquille!
J'y ai pensé ... mais je ne voulais pas avoir un graisseur qui remplace la fonction mise à l'air ... et je voulais un graisseur fixe à ne pas démonter remonté.Bruno Jordan a écrit :Et pourquoi tu n' utilises pas le trou de la mise à l'air pour graisser?
Oui!leoduro a écrit :En lisant ton schema, je comprends que le graisseur 1 graisse les roulement de fusée.
Le 2, le pivot supérieur.
Je suis content d'avoir posté ma m'ésaventure, pour avoir ces remarques très intéressantes ... Merci Léoleoduro a écrit :En voyant tes photos je me dis:
- Son graisseur (celui du milieu) est mort car la graisse ressort par la bille anti-retour...
- Pour le cardan (le joint homocinétique devrait-on dire) je mettrais plutôt de la graisse graphitée (la noire qui tache) qui offre une meilleures lubrification (tu en mettras moins) et qui résiste mieux à la température. (l'autre coule ou sèche).
Enfin, je ne connais pas en détail vos pivots, mais si c'est comme sur les toy (ça y ressemble) une sphère avec un joint (feutre etc..) je te conseil alors la chose suivante:
Tu graisses (par ton graisseur ou autre) mais jamais au max (ça tourne la dedans, en ça rentre en pression si pas d'espace). Le problème est que la graisse à tendance à gicler et rester sur l'extérieur. Il faut alors rajouter un peu d'huile bien épaisse (par exemple huile de pont 80 ou 85W90), par un orifice.
Ca suinte un peu mais c'est hyper efficace. Si ça pisse comme neige au soleil, alors tes joints de bol sont raide.
Last edited by Mukka on 20 juin 2012 11:12, edited 1 time in total.
-
Mukka
- Je suis zen.

- Messages : 710
- Enregistré le : 29 janv. 2012 20:41
Re: Graisser le cardan dans la coquille!
J'ai mis une cartouche complète en 1 et de chaque côté !! en penssant que la graisse allai dans le cardan!nico02 a écrit :Salut,
Pardonne mon ignorance... ou le manque de café à cette heure.
Mais d'où vient le problème ? Tu mettais trop de graisse en 1 ? C'était bouché ?
J'ai souvent tendance à y aller très généreusement...
au final toute ma graisse est ressortie dans le tambour ... Quel danger!
-
woolf
- poil de carotte

- Messages : 591
- Enregistré le : 16 janv. 2009 15:15
Re: Graisser le cardan dans la coquille!
Salut,
Faites gaffes en graissant la zone du cardan. Je suis entrain de refaire un pont avant qui vient d'un tp3 ex-pompier. Ils ont tellement abusé avec la pompe à graisse ( pneumatique sans doute ), que les joints spy de demi arbre ont dégagé. Ils sont sortis de leur logement, et toute la graisse s'est barrée dans le pont.
Sans mentir, j'ai pratiquement sorti un sceau de 5 kg de graisse des trompettes. D'ailleurs, dans le corps de pont, il y a des conduits d'huile en partie inférieur, qui permette à l'huile qui se trouve au niveau des demi arbre de redescendre vers le nez de pont. Bah, avec cette bétise, tout était complètement bouché.
Quand j'étais dans les tp, on retendait les chenilles de pelleteuse avec une pompe à graisse, alors c'est pas un malheureux joint spy qui va y resister
A+
Faites gaffes en graissant la zone du cardan. Je suis entrain de refaire un pont avant qui vient d'un tp3 ex-pompier. Ils ont tellement abusé avec la pompe à graisse ( pneumatique sans doute ), que les joints spy de demi arbre ont dégagé. Ils sont sortis de leur logement, et toute la graisse s'est barrée dans le pont.
Sans mentir, j'ai pratiquement sorti un sceau de 5 kg de graisse des trompettes. D'ailleurs, dans le corps de pont, il y a des conduits d'huile en partie inférieur, qui permette à l'huile qui se trouve au niveau des demi arbre de redescendre vers le nez de pont. Bah, avec cette bétise, tout était complètement bouché.
Quand j'étais dans les tp, on retendait les chenilles de pelleteuse avec une pompe à graisse, alors c'est pas un malheureux joint spy qui va y resister
A+
Si vous étiez un vrai pilote, nous ne serions pas sur cette ile !
Je suis le meilleur pilote que vous n'ayez jamais eu.
Ah oui, j'ai volé deux fois avec vous, on s'est écrasé la moitié du temps !
Je suis le meilleur pilote que vous n'ayez jamais eu.
Ah oui, j'ai volé deux fois avec vous, on s'est écrasé la moitié du temps !
-
Denis Chassac
- Je scinde les sujets.

- Messages : 3690
- Enregistré le : 15 janv. 2007 21:36
Re: Graisser le cardan dans la coquille!
Après mure observation, sur mon TP3 (dernier modèle), je n'ai pas ce graisseur n°1... enfin, il n'y en a pas sur le moyeu d'origine (rouge) mais il est présent sur celui de gauche (vert armée) qui a visiblement été changé (quand ?).Mukka a écrit :Moi depuis le début je graisse mon cardan en "1" voir ci dessous.
Je les graisse comment moi, mes roulements ?
@+
Denis

