Silentblocks (pour Bruno)
-
manu
- schtroumpf pilote

- Messages : 137
- Enregistré le : 18 janv. 2007 09:05
SILENTBLOC bras de suspension/barre de torsion
Tu n'as pas du rire tout le long de l'opérarion. Peut être après tes suspensions avants seront meilleures. De mon coté j'ai tendues un peu les barres de torsions déjà cela va mieux et j'attend deux amortissuers avants modele d'origine.
Que prend tu comme pièce pour le vtt.
Que prend tu comme pièce pour le vtt.
-
Bruno Jordan
- Je scinde les sujets.

- Messages : 3315
- Enregistré le : 13 janv. 2007 17:40
J'ai pas encore réffléchis à ça, mais je viens de changer toute la transmission pour du XTRmanu a écrit :Tu n'as pas du rire tout le long de l'opérarion. Peut être après tes suspensions avants seront meilleures. De mon coté j'ai tendues un peu les barres de torsions déjà cela va mieux et j'attend deux amortissuers avants modele d'origine.
Que prend tu comme pièce pour le vtt.
donc un minimum. Pneus, dérailleur AR (ancien), chaine, plaquettes et quelques rayons.
Bruno

-
Guy
- Le pour et le contre

- Messages : 1258
- Enregistré le : 26 mai 2007 17:51
Silentblocks (pour Bruno)
Bonsoir,
Je me suis aperçu que mon camion tapait dans la colonne de direction en passant sur des trous.
J'ai cherché et trouvé sur le forum le post " silentblocks de suspension triangle avant".
N'ayant pas les connaissances et les moyens matériels et espace de le faire moi même j'ai amené mon véhicule chez Iveco pour une révision générale et aussi pour me résoudre ce problème.
D'après le chef de garage ce problème est fréquent sur les 40.10 et il en à déjà fait plusieurs mais il semblerait d'après lui que les silentblocks des tirants de pont soit aussi la cause du problème ainsi que la pièce cannelée de la colonne de direction.
Il a déjà eu des problème pour les tirants de pont car il parait qu'il est nécessaire de les couper.
Ils vont me vérifier tout cela et me donner le résultat des courses, mais je m'attends au pire.
Bruno qu'en penses-tu toi qui à travaillé sur ces pièces?.
Merci d'avance.
Je me suis aperçu que mon camion tapait dans la colonne de direction en passant sur des trous.
J'ai cherché et trouvé sur le forum le post " silentblocks de suspension triangle avant".
N'ayant pas les connaissances et les moyens matériels et espace de le faire moi même j'ai amené mon véhicule chez Iveco pour une révision générale et aussi pour me résoudre ce problème.
D'après le chef de garage ce problème est fréquent sur les 40.10 et il en à déjà fait plusieurs mais il semblerait d'après lui que les silentblocks des tirants de pont soit aussi la cause du problème ainsi que la pièce cannelée de la colonne de direction.
Il a déjà eu des problème pour les tirants de pont car il parait qu'il est nécessaire de les couper.
Ils vont me vérifier tout cela et me donner le résultat des courses, mais je m'attends au pire.
Bruno qu'en penses-tu toi qui à travaillé sur ces pièces?.
Merci d'avance.
-
Bruno Jordan
- Je scinde les sujets.

- Messages : 3315
- Enregistré le : 13 janv. 2007 17:40
Salut Guy,
C'est exactement les mêmes symptomes que j'avais.
Après changement des silentblocs ça va mieux mais ca tape encore un peu
dans la direction.
Suivant la pression des pneus c'est plus ou moins sensible.
A 2,5 bar c'est à peu près bon.
Vérifier les vis de fixation de la direction assistée qui ont tendance à se desserrer.
J'avais aussi les vis de fixation des silentblocs moteurs de devissées sur le bloc moteur et une foirée sur le châssis.
Mais là ,bonjour le boulot pour y accéder, je te conseille le valium en intraveineuse !!!!!!!!!
Bruno
C'est exactement les mêmes symptomes que j'avais.
Après changement des silentblocs ça va mieux mais ca tape encore un peu
dans la direction.
Suivant la pression des pneus c'est plus ou moins sensible.
A 2,5 bar c'est à peu près bon.
Vérifier les vis de fixation de la direction assistée qui ont tendance à se desserrer.
J'avais aussi les vis de fixation des silentblocs moteurs de devissées sur le bloc moteur et une foirée sur le châssis.
Mais là ,bonjour le boulot pour y accéder, je te conseille le valium en intraveineuse !!!!!!!!!
Bruno

-
Guy
- Le pour et le contre

- Messages : 1258
- Enregistré le : 26 mai 2007 17:51
Bonjour Bruno,
Le chef de garage m'a dit hier qu'il n'y avait aucun problème et aucun risque à rouler comme cela mais comme je vais partir loin et avec beaucoup de pistes c'est assez désagréable d'avoir ces claquements dans la direction.
Il m'a dit avoir déjà fait une intervention totale sur plusieurs véhicules qui avait le même symptomes mais la facture est salée. Environ 4000 Euros. OUPS!!
Apparemment tu connais du monde chez Iveco, pourrais-tu pêcher quelques infos?.
Merci d'avance.
Le chef de garage m'a dit hier qu'il n'y avait aucun problème et aucun risque à rouler comme cela mais comme je vais partir loin et avec beaucoup de pistes c'est assez désagréable d'avoir ces claquements dans la direction.
Il m'a dit avoir déjà fait une intervention totale sur plusieurs véhicules qui avait le même symptomes mais la facture est salée. Environ 4000 Euros. OUPS!!
Apparemment tu connais du monde chez Iveco, pourrais-tu pêcher quelques infos?.
Merci d'avance.
-
Bruno Jordan
- Je scinde les sujets.

- Messages : 3315
- Enregistré le : 13 janv. 2007 17:40
-
Guy
- Le pour et le contre

- Messages : 1258
- Enregistré le : 26 mai 2007 17:51
-
ced31
- Conducteur de Tricycle expérimenté

- Messages : 356
- Enregistré le : 04 sept. 2007 23:08
SILENTBLOC bras de suspension/barre de torsion
Bonjour, j'ai les même symptômes et du coup la même chose à faire sur le mien, une idée du prix des silent block? on ne les trouve que chez Iveco ou possibilité de les trouver ailleurs?
-
Bruno Jordan
- Je scinde les sujets.

- Messages : 3315
- Enregistré le : 13 janv. 2007 17:40
Re: Silentblocks (pour Bruno)
Salut Cédric,
Ton message à été déplacé pour ne pas encombrer la partie technique.
Pour le prix environ 30 euros pour la deuxième question sais pas.
Bruno
Ton message à été déplacé pour ne pas encombrer la partie technique.
Pour le prix environ 30 euros pour la deuxième question sais pas.
Bruno

-
Satamax
- Dieseliste

- Messages : 173
- Enregistré le : 05 juil. 2008 23:12
Re:
Salut les gars!Bruno Jordan a écrit :Chez Ivéco tout est cher mais toujours moins que chez Renault!
Prix des silentblocs: environ 30 euros pièce ( X 8 donc)
Rèf.Bras sup. 60143420 et 60143421 + Bras inf. 1391347
Pour le reste je sais pas.
Bruno
Bon, je déterre!
Donc, pour le haut il faut 60143420 et un 60143421 par coté? Il ne sont pas identiques l'un ayant un diamètre plus gros pour laisser passer les cannelures?
Puis pour le bas 4x 1391347?
Bruno, la viewtopic.php?f=7&t=334 tu a démonté les cardans? Est-ce-bien obligatoire? Comment à tu sorti les bares de torsion?
Je pensais à tirer la bare au tirfor.
J'ai trouvé ça chez les anglois!
http://www.bisonparts.co.uk/suspension/ ... -bush-3487
http://www.bisonparts.co.uk/browse?q=60143421
http://www.bisonparts.co.uk/browse?q=1391347
Ils ajoutent 10 euros en plus pour la manut, donc sans le port, ça coute dans les 125 euros.
Je pense que je vais tenter le coup.
Z'en dites quopi?
-
Bruno Jordan
- Je scinde les sujets.

- Messages : 3315
- Enregistré le : 13 janv. 2007 17:40
Re: Silentblocks (pour Bruno)
Mes barres de torsion sont venues toutes seules mais je sais que certains ont galéré.
Cela fait bien longtemps que j'ai fait ces travaux, je ne sais plus pour les cardans mais je crois que je les avais enlevés pour changer les soufflets.
Pour les pièces anglaises pourquoi pas..
Cela fait bien longtemps que j'ai fait ces travaux, je ne sais plus pour les cardans mais je crois que je les avais enlevés pour changer les soufflets.
Pour les pièces anglaises pourquoi pas..

-
Satamax
- Dieseliste

- Messages : 173
- Enregistré le : 05 juil. 2008 23:12
Re: Silentblocks (pour Bruno)
T'a fais comment pour les sortir les bares? Tu a tapé? Tirré? Poussé?
Je leur ai envoyé un mail. J'pense que ça vas me couter 150€ ou dans ces eaux la!
Je leur ai envoyé un mail. J'pense que ça vas me couter 150€ ou dans ces eaux la!
-
Bruno Jordan
- Je scinde les sujets.

- Messages : 3315
- Enregistré le : 13 janv. 2007 17:40
-
Satamax
- Dieseliste

- Messages : 173
- Enregistré le : 05 juil. 2008 23:12
Re: Silentblocks (pour Bruno)
Bruno, ou les autres qui auraient déjà fait la manip.
Est-ce-que je ne me fourvoies pas? Les silentblocs 1391347 c'est bien ceux du bras inférieur?
Vu que ça fais deux ou trois sites ou ils me l'annoncent comme supérieur.
http://www.ebay.fr/itm/BOCCOLA-SUPERIOR ... 983wt_1133
Merci.
Max.
Est-ce-que je ne me fourvoies pas? Les silentblocs 1391347 c'est bien ceux du bras inférieur?
Vu que ça fais deux ou trois sites ou ils me l'annoncent comme supérieur.
http://www.ebay.fr/itm/BOCCOLA-SUPERIOR ... 983wt_1133
Merci.
Max.
-
Bruno Jordan
- Je scinde les sujets.

- Messages : 3315
- Enregistré le : 13 janv. 2007 17:40
Re: Silentblocks (pour Bruno)
Je n'ai plus les factures, donc peux pas t'aider.
Eventuellement aller faire faire un devis chez Ivéco.
Eventuellement aller faire faire un devis chez Ivéco.

-
Satamax
- Dieseliste

- Messages : 173
- Enregistré le : 05 juil. 2008 23:12
Re: Silentblocks (pour Bruno)
Bruno Jordan a écrit :Je n'ai plus les factures, donc peux pas t'aider.
Eventuellement aller faire faire un devis chez Ivéco.
T'inquiettes!
J'ai retrouvé ça sur le site.
viewtopic.php?p=45392#p45392
Qui semblerais confirmer.
J'ai reçu un devis a 115.90£ soit un peu moins de 143 euros. Mais sans les entretoises. Bon, j'en ai deux dans le pont, deux dans une boite, provenant du démontage du jaune.
J'vais voir.
-
Bruno Jordan
- Je scinde les sujets.

- Messages : 3315
- Enregistré le : 13 janv. 2007 17:40
-
Satamax
- Dieseliste

- Messages : 173
- Enregistré le : 05 juil. 2008 23:12
Re: Silentblocks (pour Bruno)
142€ de virés chez les anglois, et 28 de frais de virement! Saloperie de banquier! 

-
cyrchristo
- Petit Tambour

- Messages : 956
- Enregistré le : 20 avr. 2011 13:49
Re: Silentblocks (pour Bruno)
Hello
Je m'occupe en ce moment de commander des silentblocks (et diverses autres pièces
) chez truck engineering.
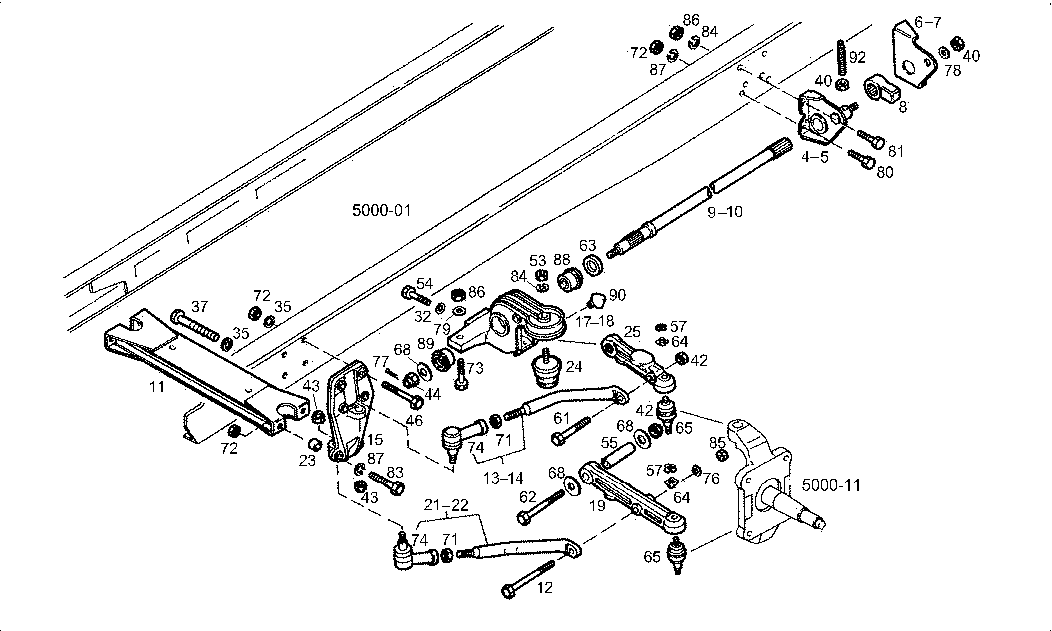
Seul petit hic: je ne reconnais pas vraiment sur le schéma qu'il me fournit (ainsi que sur celui de la doc technique que j'ai déjà à ma disposition) les silentblocks du bras inferieur: Pour la barre de torsion (en haut), c'est les repères 88 et 89.
Mais pour le bas, j'y vois que des rondelles et un axe (n°55)... et ça ne ressemble pas vraiment aux photos qu'avait pris Bruno en changeant les siens
:
Merci d'avance pour vos éclaircissements
Cyril
Je m'occupe en ce moment de commander des silentblocks (et diverses autres pièces
Seul petit hic: je ne reconnais pas vraiment sur le schéma qu'il me fournit (ainsi que sur celui de la doc technique que j'ai déjà à ma disposition) les silentblocks du bras inferieur: Pour la barre de torsion (en haut), c'est les repères 88 et 89.
Mais pour le bas, j'y vois que des rondelles et un axe (n°55)... et ça ne ressemble pas vraiment aux photos qu'avait pris Bruno en changeant les siens
Cyril
__________o______
!__________\\______\
!.iveco.I<>[III\\______\_
!====I==I==I=\#-==-#\
!_/---\I___I_/---\_/-----/
--(o)_)---------(o)_)----(o)_)
Mes blogs de voyage:
http://lesaventuresdecyriletarmony.blogspot.com/ , http://cavalofroads.blogspot.fr/
!__________\\______\
!.iveco.I<>[III\\______\_
!====I==I==I=\#-==-#\
!_/---\I___I_/---\_/-----/
--(o)_)---------(o)_)----(o)_)
Mes blogs de voyage:
http://lesaventuresdecyriletarmony.blogspot.com/ , http://cavalofroads.blogspot.fr/
-
Bruno Jordan
- Je scinde les sujets.

- Messages : 3315
- Enregistré le : 13 janv. 2007 17:40
