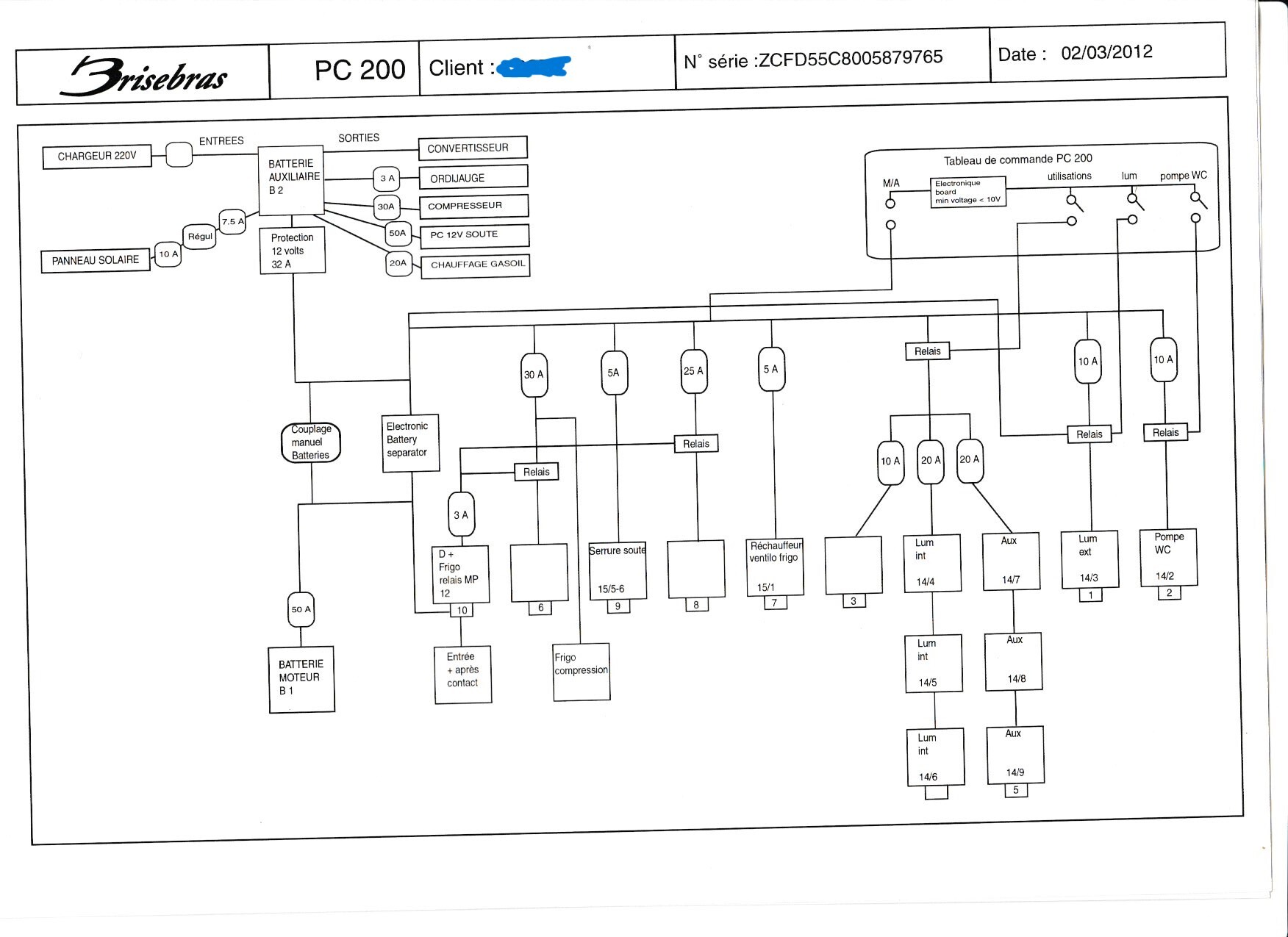
Voila un schéma de mon installation électrique, j'ai 2 batteries cellule de 220AH qui sont de 2012 et ne prennent plus la charge ou très peu; es qu'il ne serait pas intéressant de passer sur une batterie lithium de 200AH mais dans ce cas es qu'il y a des autres matériels a changer et lesquels ?
[edit]J'ai copié l'image sur le forum pour ne pas la perdre...[/edit]
Batterie, électricité......encore.
- Pat 25
- Dresseur de TRM

- Messages : 1481
- Enregistré le : 30 mars 2010 11:02
-
Patzon
- Aventurier

- Messages : 53
- Enregistré le : 17 févr. 2020 13:23
Re: Batterie, électricité......encore.
Il faut que ton chargeur 220 et ton régulateur pour panneaux solaires et ton appareil de couplage avec la batterie moteur/alternateur soient capables d'appliquer la technique de charge "courant constant/tension constante" (cc/cv) avec les réglages de tension adaptés suivant le type de batterie lithium (type LiFePO4 par exemple).
Un exemple d'appareil qui gère batterie, panneau solaire, alternateur (mais pas d'entrée 220V, il faut ajouter pour ça un simple adaptateur 220-12V) : KISAE DMT 1230/1250
https://www.h2r-equipements.com/chargeu ... t-800.html
Comme batterie lifepo4 rapport qualité prix intéressant il y a les marques Amperetime ou SOK.
Un exemple d'appareil qui gère batterie, panneau solaire, alternateur (mais pas d'entrée 220V, il faut ajouter pour ça un simple adaptateur 220-12V) : KISAE DMT 1230/1250
https://www.h2r-equipements.com/chargeu ... t-800.html
Comme batterie lifepo4 rapport qualité prix intéressant il y a les marques Amperetime ou SOK.
- Pat 25
- Dresseur de TRM

- Messages : 1481
- Enregistré le : 30 mars 2010 11:02
Re: Batterie, électricité......encore.
Alors des précisions sur l'installation, il y a:
2 PS Alden 130w
1 ordi-jauge Alden
1 chargeur de batterie CBE CB510/516
1 panneau de contrôle CBE PC 200.
Les batteries sont bien des AGM 220AH de 2012, peuvent elles être encore vaillantes malgré leur age?
2 PS Alden 130w
1 ordi-jauge Alden
1 chargeur de batterie CBE CB510/516
1 panneau de contrôle CBE PC 200.
Les batteries sont bien des AGM 220AH de 2012, peuvent elles être encore vaillantes malgré leur age?
-----------------------------
Ivéco 3CCartier 55 17
Ivéco 3CCartier 55 17
-
Patzon
- Aventurier

- Messages : 53
- Enregistré le : 17 févr. 2020 13:23
Re: Batterie, électricité......encore.
A priori (d'après le site du fabriquant), ton ordi-jauge Alden est compatible batterie LiFePo4.
Par contre le chargeur de batterie CBE CB510/516 n'est pas fait pour une batterie lithium (CBE a autre modèle adapté)
Pour la charge via l'alternateur du véhicule ce n'est pas clair pour moi.
Pour tester l'état des batteries AGM pr leur valeur nominale, ce que je ferai : - charger à 100% ; - brancher un sèche cheveux par ex (ou radiateur à résistance etc) dont on connait la consommation constante en Watt et voir combien de temps la batterie tient avant de tomber à 50% de charge (regarder la doc fabriquant pour connaître la tension en V à 50%).
Par contre le chargeur de batterie CBE CB510/516 n'est pas fait pour une batterie lithium (CBE a autre modèle adapté)
Pour la charge via l'alternateur du véhicule ce n'est pas clair pour moi.
Pour tester l'état des batteries AGM pr leur valeur nominale, ce que je ferai : - charger à 100% ; - brancher un sèche cheveux par ex (ou radiateur à résistance etc) dont on connait la consommation constante en Watt et voir combien de temps la batterie tient avant de tomber à 50% de charge (regarder la doc fabriquant pour connaître la tension en V à 50%).
- Pat 25
- Dresseur de TRM

- Messages : 1481
- Enregistré le : 30 mars 2010 11:02
Re: Batterie, électricité......encore.
Avec un chargeur "intelligent", il n'est pas possible de savoir ou en est l'état des batteries? je les ai sortie du camion, ca pèse un âne mort 
-----------------------------
Ivéco 3CCartier 55 17
Ivéco 3CCartier 55 17
- nh3
- Dans ma demeure.

- Messages : 1130
- Enregistré le : 18 juil. 2010 20:01
- Prénom(s) : Raphaël
- Site Perso ou Pro : https://www.swisslithiumbatteries.com/
Re: Batterie, électricité......encore.
Bonjour à tous.
Tous est compatibles avec les batteries lithium Lifepo4 ça sera juste plus performant avec du matériel compatibles.
Une Bonne batterie lithium est protégée par son bms, sur les versions que j'installe, on peut régler tous les paramètres.
Avec des alternateurs qui chargent en continu, on peut aussi laisser le simple coupleur séparateur voir même enlever la batterie moteur, ça fonctionne encore mieux !
Raphaël.
Tous est compatibles avec les batteries lithium Lifepo4 ça sera juste plus performant avec du matériel compatibles.
Une Bonne batterie lithium est protégée par son bms, sur les versions que j'installe, on peut régler tous les paramètres.
Avec des alternateurs qui chargent en continu, on peut aussi laisser le simple coupleur séparateur voir même enlever la batterie moteur, ça fonctionne encore mieux !
Raphaël.
- Pat 25
- Dresseur de TRM

- Messages : 1481
- Enregistré le : 30 mars 2010 11:02
Re: Batterie, électricité......encore.
j'y suis allé de ma petite réflexion. Mon ordi-jauge m'indique environ 290ah, 0/1a de charge sans aucune conso dans le véhicule, ne serait-ce la capacité restante de mes batteries qui ont je le rappelle 11 ans et vu qu'elles sont pleines il n'y a pas de charge. Ma réflexion tient la route?
Si mes batterie font encore le taf, même si elles ne sont plus au top du top; pour le moment ca me convient mais c'est sur que si je dois les changer je passerais ai Li et dans ce cas on sera appelé a se rencontrer
Si mes batterie font encore le taf, même si elles ne sont plus au top du top; pour le moment ca me convient mais c'est sur que si je dois les changer je passerais ai Li et dans ce cas on sera appelé a se rencontrer
-----------------------------
Ivéco 3CCartier 55 17
Ivéco 3CCartier 55 17
- nh3
- Dans ma demeure.

- Messages : 1130
- Enregistré le : 18 juil. 2010 20:01
- Prénom(s) : Raphaël
- Site Perso ou Pro : https://www.swisslithiumbatteries.com/
Re: Batterie, électricité......encore.
Il faut savoir quel est le système qui mesure la capacité.
Le seul système précis est avec un shunt.
L'installation est donc dans ce cas programmée par rapport à la capacité des batteries. Il faut les charger au maximum, éteindre le solaire et ensuite les vider et regarder combien d'Ah il reste sur le compteur au final. Ensuite tu pourras en déduire la capacité utilisable restante.
Le seul système précis est avec un shunt.
L'installation est donc dans ce cas programmée par rapport à la capacité des batteries. Il faut les charger au maximum, éteindre le solaire et ensuite les vider et regarder combien d'Ah il reste sur le compteur au final. Ensuite tu pourras en déduire la capacité utilisable restante.