Procédure remplacement liquide de refroidissement ?
-
Patrick91
- Assistance

- Messages : 64
- Enregistré le : 22 sept. 2019 12:14
Procédure remplacement liquide de refroidissement ?
Hello,
Petite question : comment procédez-vous pour remplacer votre liquide de refroidissement dans votre TP3 une fois la vidange de l'ancien faite ?
Je procède selon la notice et en purgeant au niveau du petit radiateur de chauffage de la cabine et il n'y a jamais eu de pb.
Mais, comme le calorstat est en position fermée, je ne comprends pas bien comment les bulles d'air peuvent être chassées de la culasse. A moins que le boitier du calorstat soit conçu pour laisser passer (même avec le calorstat en position fermée) un peu de liquide de refroidissement, permettant aux bulles de partir. Est-ce cela ?
Merci pour vos éclairages
A+
Petite question : comment procédez-vous pour remplacer votre liquide de refroidissement dans votre TP3 une fois la vidange de l'ancien faite ?
Je procède selon la notice et en purgeant au niveau du petit radiateur de chauffage de la cabine et il n'y a jamais eu de pb.
Mais, comme le calorstat est en position fermée, je ne comprends pas bien comment les bulles d'air peuvent être chassées de la culasse. A moins que le boitier du calorstat soit conçu pour laisser passer (même avec le calorstat en position fermée) un peu de liquide de refroidissement, permettant aux bulles de partir. Est-ce cela ?
Merci pour vos éclairages
A+
-
sebg61
- Je scinde les sujets.

- Messages : 3570
- Enregistré le : 18 août 2010 18:49
Re: Procédure remplacement liquide de refroidissement ?
Salut,
Exemple: http://www.r2087.com/forum/viewtopic.php?f=2&t=5364
@+
Seb.G
Oui, en général c'est ça.Patrick91 a écrit : 28 nov. 2020 08:17 A moins que le boitier du calorstat soit conçu pour laisser passer (même avec le calorstat en position fermée) un peu de liquide de refroidissement, permettant aux bulles de partir. Est-ce cela ?
Exemple: http://www.r2087.com/forum/viewtopic.php?f=2&t=5364
@+
Seb.G
-
Patrick91
- Assistance

- Messages : 64
- Enregistré le : 22 sept. 2019 12:14
Re: Procédure remplacement liquide de refroidissement ?
Merci Seb
Sur le calorstat du TP3 il n'y a pas cette ouverture.
Par contre sur le boitier du calorstat il y a en parallèle du calorstat une sortie (A sur la photo) qui va vers le radiateur de chauffage de la cabine. C'est sans doute ce qui permet à l'air de sortir de la culasse, d'où la purge au niveau du radiateur.


A+
Sur le calorstat du TP3 il n'y a pas cette ouverture.
Par contre sur le boitier du calorstat il y a en parallèle du calorstat une sortie (A sur la photo) qui va vers le radiateur de chauffage de la cabine. C'est sans doute ce qui permet à l'air de sortir de la culasse, d'où la purge au niveau du radiateur.


A+
-
sebg61
- Je scinde les sujets.

- Messages : 3570
- Enregistré le : 18 août 2010 18:49
Re: Procédure remplacement liquide de refroidissement ?
Salut,
je connais pas assez les TP3 pour te répondre sûrement, mais à priori oui ...
Jette un œil sur le forum :
viewtopic.php?t=5093
viewtopic.php?t=7853
viewtopic.php?t=9946
viewtopic.php?t=11156
et ailleurs sur le web :
http://www.r2087.com/forum/viewtopic.php?f=2&t=5364
https://saviem-sg2.forums-actifs.com/t1 ... moteur-817
https://saviem-sg2.forums-actifs.com/t1 ... moteur-817
@+
Seb.G
je connais pas assez les TP3 pour te répondre sûrement, mais à priori oui ...
Jette un œil sur le forum :
viewtopic.php?t=5093
viewtopic.php?t=7853
viewtopic.php?t=9946
viewtopic.php?t=11156
et ailleurs sur le web :
http://www.r2087.com/forum/viewtopic.php?f=2&t=5364
https://saviem-sg2.forums-actifs.com/t1 ... moteur-817
https://saviem-sg2.forums-actifs.com/t1 ... moteur-817
@+
Seb.G
-
Patrick91
- Assistance

- Messages : 64
- Enregistré le : 22 sept. 2019 12:14
Re: Procédure remplacement liquide de refroidissement ?
Merci !
Sur le schéma dans viewtopic.php?t=5093, on voit bien le passage en parallèle du calorstat.
Intéressant aussi les autres posts, notamment le montage de boudins pneumatiques au-dessus des paquets de lame.
Ca donne des idées
A+
Sur le schéma dans viewtopic.php?t=5093, on voit bien le passage en parallèle du calorstat.
Intéressant aussi les autres posts, notamment le montage de boudins pneumatiques au-dessus des paquets de lame.
Ca donne des idées
A+
-
come 09
- Je scinde les sujets.

- Messages : 5052
- Enregistré le : 05 juin 2009 00:14
Re: Procédure remplacement liquide de refroidissement ?
la purge se fait toute seule, via le vase d'expansion (tp3 châssis cabine) et le petit tuyaux qui y est raccordé, la purge du petit radiateur ne sert a purger que le... petit radiateur...
le tube qui sort de la culasse (A) sert simplement a by passé le chalorstat quand il est fermé, ce qui donne la priorité a la chaleur (toute relative
) au radiateur de cabine...
wala....
le tube qui sort de la culasse (A) sert simplement a by passé le chalorstat quand il est fermé, ce qui donne la priorité a la chaleur (toute relative
wala....
Last edited by come 09 on 28 nov. 2020 17:34, edited 1 time in total.
tp3
trm2000
B110 ponticelli
hdj80 12s
nissan 350z
renault r2087
clio 4 rs edc 200 modif,stage 1: 235ch et 319Nm
renault espace IV 2L turbo 170ch
B110 4x4,1999,ponts renault, 2.8L
trm2000
B110 ponticelli
hdj80 12s
nissan 350z
renault r2087
clio 4 rs edc 200 modif,stage 1: 235ch et 319Nm
renault espace IV 2L turbo 170ch
B110 4x4,1999,ponts renault, 2.8L
-
Patrick91
- Assistance

- Messages : 64
- Enregistré le : 22 sept. 2019 12:14
Re: Procédure remplacement liquide de refroidissement ?
Merci Come pour cette précision.
A+
A+
-
Denis Chassac
- Je scinde les sujets.

- Messages : 3689
- Enregistré le : 15 janv. 2007 21:36
Re: Procédure remplacement liquide de refroidissement ?
Il y a (peut-être) un vase sur certains modèles mais il n'y en a pas d'origine sur les fourgons à moteur 712... l'expansion se fait directement par terre quand le moteur est trop chaud !come 09 a écrit : 28 nov. 2020 17:28 la purge se fait toute seule, via le vase d'expansion (tp3 châssis cabine) et le petit tuyaux qui y est raccordé, la purge du petit radiateur ne sert a purger que le... petit radiateur...
@+
DEnis
-
come 09
- Je scinde les sujets.

- Messages : 5052
- Enregistré le : 05 juin 2009 00:14
Re: Procédure remplacement liquide de refroidissement ?
ouai, s'est pour ça que j'avait précisé châssis cabine....
pareil, tout les sg2, sg3, sg4: y a pas de vase non plus... chez saviem, y z'on pas trouver la place, donc y z'en on pas mis..... s'est quand même pas compliqué la mécanique bordel....

pareil, tout les sg2, sg3, sg4: y a pas de vase non plus... chez saviem, y z'on pas trouver la place, donc y z'en on pas mis..... s'est quand même pas compliqué la mécanique bordel....
tp3
trm2000
B110 ponticelli
hdj80 12s
nissan 350z
renault r2087
clio 4 rs edc 200 modif,stage 1: 235ch et 319Nm
renault espace IV 2L turbo 170ch
B110 4x4,1999,ponts renault, 2.8L
trm2000
B110 ponticelli
hdj80 12s
nissan 350z
renault r2087
clio 4 rs edc 200 modif,stage 1: 235ch et 319Nm
renault espace IV 2L turbo 170ch
B110 4x4,1999,ponts renault, 2.8L
-
Bruno Jordan
- Je scinde les sujets.

- Messages : 3317
- Enregistré le : 13 janv. 2007 17:40
Re: Procédure remplacement liquide de refroidissement ?
Le vase d’expansion est intégré au radiateur, il ne faut pas le remplir jusqu’en haut et c'est la place libre qui fait office de vase d'expansion.
Pareil sur mon Mercedes G
Pareil sur mon Mercedes G

-
Fabien 42 & 69
- Explorateur confirmé !

- Messages : 2244
- Enregistré le : 18 juin 2010 08:30
Re: Procédure remplacement liquide de refroidissement ?
Oui Bruno, tu as raison, par contre l'upgrade avec un vase est recommandé (et monté) par RVI et le bouchon du radiateur devient étanche au lieu de taré (le bouchon taré se remet sur la vase. Le vase est monté contre le capot moteur à droite.
Presentation du TP3 :
-
Denis Chassac
- Je scinde les sujets.

- Messages : 3689
- Enregistré le : 15 janv. 2007 21:36
Re: Procédure remplacement liquide de refroidissement ?
Salut Fabien
@+
DEnis
Aurais-tu des photos de ce montage ? J'avais tenté de monter un vase derrière le siège conducteur qui m'a laissé un souvenir cuisant dans la montée vers Capvern, sans améliorer la température moteur...Fabien 42 & 69 a écrit : 30 nov. 2020 19:56 Oui Bruno, tu as raison, par contre l'upgrade avec un vase est recommandé (et monté) par RVI et le bouchon du radiateur devient étanche au lieu de taré (le bouchon taré se remet sur la vase. Le vase est monté contre le capot moteur à droite.
@+
DEnis
-
Fabien 42 & 69
- Explorateur confirmé !

- Messages : 2244
- Enregistré le : 18 juin 2010 08:30
Re: Procédure remplacement liquide de refroidissement ?
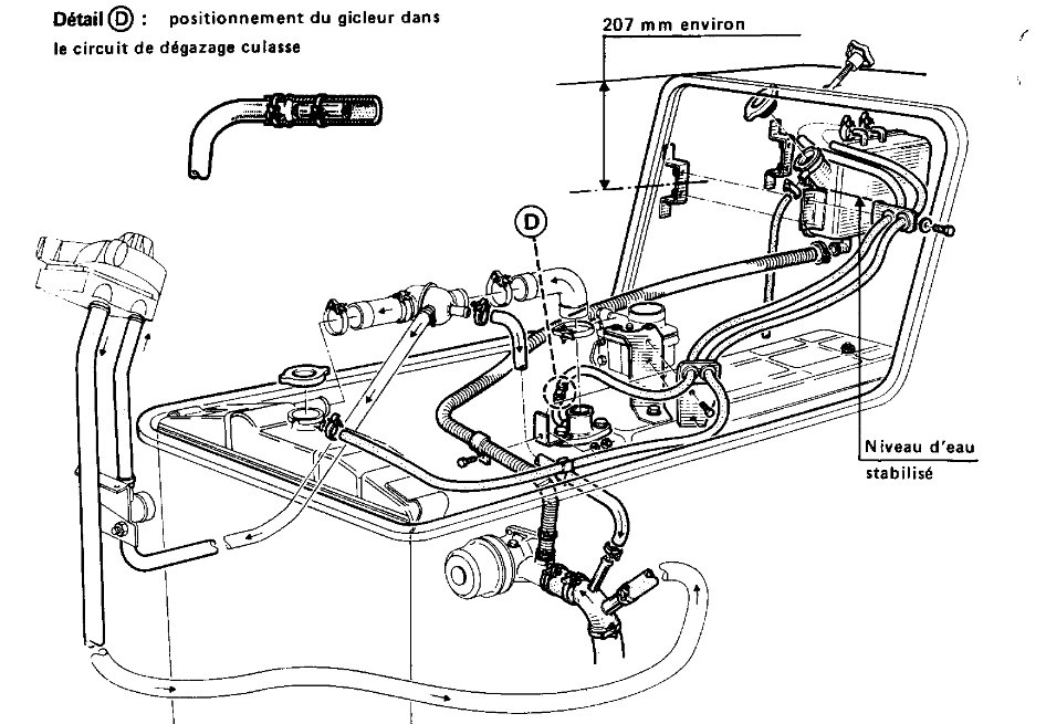
Voici le schéma Saviem (c'est pour modèle essence avec thermostat séparé du bloc mais c'est quasi idem pour tous les modèles essences et diesels) :
Presentation du TP3 :
-
Fabien 42 & 69
- Explorateur confirmé !

- Messages : 2244
- Enregistré le : 18 juin 2010 08:30
Re: Procédure remplacement liquide de refroidissement ?
C'est ce que tu voulais Denis ?
Presentation du TP3 :
-
Denis Chassac
- Je scinde les sujets.

- Messages : 3689
- Enregistré le : 15 janv. 2007 21:36
Re: Procédure remplacement liquide de refroidissement ?
Oui, merci.
Maintenant que j'ai monté un second radiateur à la place de celui de chauffage, je n'ai plus de problème de chauffe (enfin, en croisant les doigts
@+
DEnis
-
Fabien 42 & 69
- Explorateur confirmé !

- Messages : 2244
- Enregistré le : 18 juin 2010 08:30
Re: Procédure remplacement liquide de refroidissement ?
Ce n'est pas parce que tu chauffe moins que le vase n'a pas d'utilité si ? Le vase c'est surtout pour éviter les dépressions/surpressions donc les "poches" de gaz non ?
D'accord mais maintenant tu chauffe comment ta cabine ? Et ton dégivrage pare brise ?
Presentation du TP3 :
-
Denis Chassac
- Je scinde les sujets.

- Messages : 3689
- Enregistré le : 15 janv. 2007 21:36
Re: Procédure remplacement liquide de refroidissement ?
Plus de chauffage de cabine ni de dégivrage... de toute manière, l'hiver il ne roule pasFabien 42 & 69 a écrit : 06 déc. 2020 10:24
D'accord mais maintenant tu chauffe comment ta cabine ? Et ton dégivrage pare brise ?
@+
DEnis
-
Fabien 42 & 69
- Explorateur confirmé !

- Messages : 2244
- Enregistré le : 18 juin 2010 08:30
-
Patrick91
- Assistance

- Messages : 64
- Enregistré le : 22 sept. 2019 12:14
Re: Procédure remplacement liquide de refroidissement ?
Et tu as mis quel type de radiateur en remplacement de celui initial Denis ?
Je pense faire la même chose.
Je pense faire la même chose.
-
Denis Chassac
- Je scinde les sujets.

- Messages : 3689
- Enregistré le : 15 janv. 2007 21:36
Re: Procédure remplacement liquide de refroidissement ?
Je ne l'ai pas remplacé mais j'en ai ajouté un (de scénic) qui rentre pile juste derrière la calandre soit une quarantaine de centimètres d'écart entre les deux. Au départ, j'avais mis le ventillo électrique qui va avec mais je l'ai supprimé très vite (pas utile).Patrick91 a écrit : 06 déc. 2020 17:50 Et tu as mis quel type de radiateur en remplacement de celui initial Denis ?
Je pense faire la même chose.
Le système est très perfectible, par exemple en installant une dérivation et des vannes pour le chauffage.
@+
DEnis
