Voilà, il ne me reste plus qu'une babiole à régler pour pouvoir enfin circuler librement sur les routes du Québec (et du Canada) avec notre SM8: la lumière du frein de stationnement reste allumée même lorsque le véhicule est en mode "route".
J'ai étudié à fond le problème, et j'ai besoin de quelques éclaircissements par les gourous de l'électricité, ici, chez Bmh. Vous pourrez pas dire que j'ai pas mis de photos
D'abord, les 2 relais d'origine (bosch 0332204203, 24v 10/20a) sont grillés.
Je ne suis pas le premier à bidouiller sur ces relais, car l'installation actuelle ne correspond pas à la lecture que que je fais du schéma électrique. Ce schéma d'ailleurs me pose problème, car je n'arrive pas à en comprendre sa logique.
Est-ce que quelqu'un peut m'expliquer la logique de ce circuit? (Voir plans ci-joints)
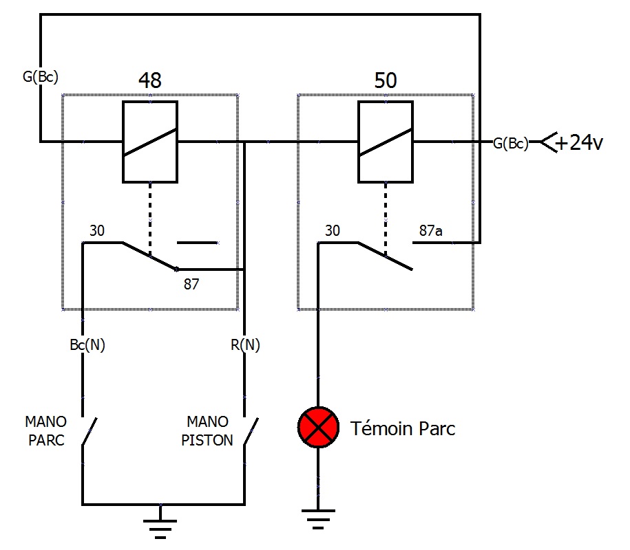
Je parle ici des relais de frein de parcage (#48 et #50), reliés au témoin frein de parcage (#49). Le courant d'entrée 24v provient du tableau de fusibles par le câble [37], puis il passe par les relais (#48 et #50) et les Manocontacts (#81 et #82) via le câble [-58-] pour enfin arriver au témoin (#49) et être mis à la terre. Pour que les relais soient mis en action (borne 85 sur relai #50 et/ou borne 86 sur relai#48), la mise à la terre doit provenir de l'action des manocontacts #81 et/ou #82. C'est la où je me perds: je ne comprends pas l'interaction des 2 relais et des manocontacts...
J'ai tenté de reproduire les schémas avec des couleurs pour mieux comprendre, mais je n'y arrive pas vraiment.
Selon la notice technique du TRM4000, il y a 2 contacteurs pour le circuit de frein de stationnement (voir p.107 et 108, ci jointes), et selon le schéma électrique, ces contacteurs sont indépendants, avec chacun une borne et un mise à la terre.
Sur mon camion, le contacteur du circuit de stationnement comporte 2 bornes et celui qui est sur le circuit des chambres secondaires, une seule borne.
EN réalité, le contacteur 2 bornes est identique à celui que l'on retrouve sur le circuit des servitudes et qui alimente le témoin du passage à la petite vitesse. Il n'est pas directement relié à la masse, mais agit plutôt comme un interrupteur.
Merci à l'avance, dire qu'il n'y a qu'une petite lumière qui me sépare des grandes étendues canadiennes !!!
Davy




