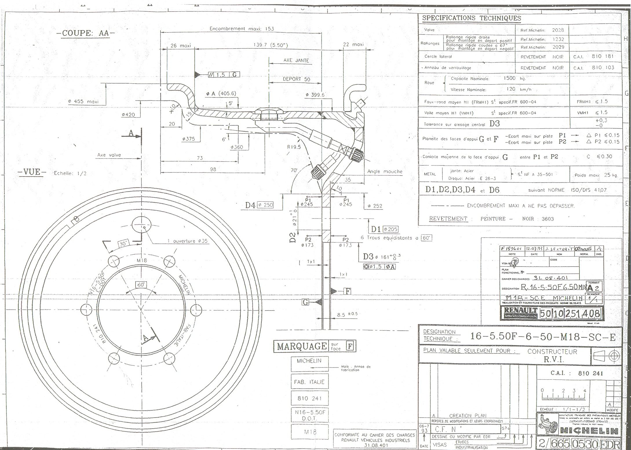
et ensuite concernant le fait que le talon d'un xzl 900r16 nécessiterait de reposer sur la plus grande hauteur que constitue les jantes cerclées, celà n'a a mon avis pas vraiment de fondement par ce que si on regarde une jante cerclée (ici d'iveco) de profil, on se rend bien compte que cette hauteur suplémentaire n'existe que coté cercle mais pas coté intérieur de jante et pourtant les pneus ne sont pas orientés, il n'y a pas un talon droit et un talon gauche qui doive être mis l'un a l'intérieur et l'autre a l'extérieur . donc a l'intérieur le talon ne repose a priori pas sur une plus grande hauteur que sur une jante non cerclée (je dis bien a priori car il peut encore y avoir des différences constatables d'une jante a l'autre)tandem03 a écrit : 21 déc. 2012 15:30 Oups... j'allais oublier Pascal...
Dis, si j'avais pu monter mes BFG sur des jantes cerclées... je ne me serais pas enquiquiner à faire fabriquer d'autres jantes.
Oui, ça se monte, mais le talon de la jante recouvre les inscriptions du pneu (celles qui sont près du talon du pneu) et de ce fait, le bord de la jante travaille sur le flanc du pneu si on dégonfle (sable par exemple).
Pas bon du tout !
A l'inverse, les XZL ne se montent pas sur des jantes "tôle", les talons des pneus sont bien trop hauts.
Par contre, il m'a semblé d'après des photos, que les talons des 275 80 20 étaient moins hauts que sur les 900 x 16...
Je dis bien "il m'a semblé" et seulement d'après des photos. A Vérifier...
Pascal, il n'y a pas a épiloguer, j'ai essayé. Ma porte t'est grande ouverte si tu as le moindre doute.
...
download/file.php?id=24180&mode=view
edit 24082023, attention j'ai depuis expliqué le le post suivant que cette photo était trompeuse puisque j'avait monté un cercle de jante 6.5 de large sur une jante 5.5 pour en vérifier la compatibilité: si techniquement ça fonctionne, en revanche je ne m'étais alors pas rendu compte que la largeur reposant sur le talon était ainsi différente intérieur / extérieur ce qui n'est que logique puisqu'il avait déjà été constaté de longue date que le "rim protector" de certains pneus ne passaient pas sur les 6.5 sans qu'on ne le retire d'une façon ou d'une autre...c'est bien que les diametres extérieurs n'étaient donc pas les memes sur 5.5 et 6.5 ...
edit: ici des jantes de B ou on voit la différence de hauteur entre celles pour 8.25 et celle pour 900 viewtopic.php?p=68202#p68202



